
型号:293/1250EF
订购电话:15811153859
| 球面滚子推力轴承, 球面滚子推力轴承 | |||||||||||
| 公差 , 参见文字 | |||||||||||
| 推荐配合 | |||||||||||
| 轴和轴承座公差 | |||||||||||
| | |||||||||||
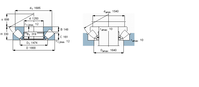
| 主要数据尺寸 | 尺寸 [英寸] | 疲劳负荷限值 | 最小负荷系数 | 额定速度 | 体积 | 型号 | |||||
| 动态 | 静态 | 参照速度 | 限制速度 | ||||||||
| d | D | H | C | C0 | Pu | ||||||
| | |||||||||||
| mm | kN | kN | - | r/min | kg | - | |||||
| | |||||||||||
| 1250 | 1800 | 330 | 24800 | 129000 | 7500 | 1600 | 130 | 240 | 2770 | 293/1250 EF | |
SKF 293/1250EF轴承 SKF 351006A轴承 SKF C30/1250MB轴承 SKF C30/1250KMB轴承 SKF 321422A轴承 SKF 230/1250CAKF/W33轴承 SKF 230/1250CAF/W33轴承 SKF BT4B328819G/HA1轴承 SKF BT2B328339/HA4轴承 SKF NNU41/1250M/W33轴承 SKF NNU41/1250K30M/W33轴承 SKF N20/1250MB轴承 SKF 315913轴承 SKF 70/1250AMB轴承 SKF 718/1250AMB轴承 SKF 708/1250AMB轴承 SKF 618/1250MB轴承
轴承型号查询- 关于我们- 联系我们- 帮助中心- 专用轴承- 网站导航- 轴承索引
客服热线:010-80849863 客服QQ:168681653
地址:北京市丰台区马家堡西路36号 京ICP备17062353号-1