
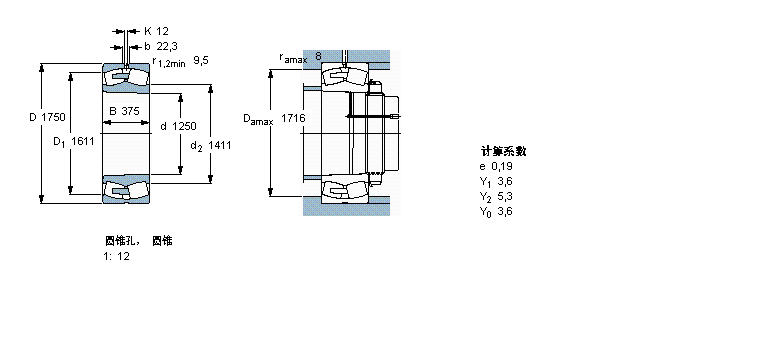
型号:230/1250CAKF/W33
订购电话:15811153859
| 球面滚子轴承, 圆柱和圆锥孔, 圆锥型内孔, 无密封件 | ||||||||||
| 公差 , 参见文字 | ||||||||||
| 径向内部间隙, 圆柱型内孔 , 圆锥型内孔, 无密封件 , 参见文字 | ||||||||||
| 推荐配合 | ||||||||||
| 轴和轴承座公差 | ||||||||||
| | ||||||||||
| 主要数据尺寸 | 基本负荷额定值 | 疲劳负荷限值 | 额定速度 | 体积 | 型号 | |||||
| 动态 | 静态 | 参照速度 | 限制速度 | |||||||
| d | D | B | C | C0 | Pu | |||||
| | ||||||||||
| mm | kN | kN | r/min | kg | - | |||||
| | ||||||||||
| 1250 | 1750 | 375 | 17900 | 45000 | 2400 | 130 | 240 | 2750 | 230/1250 CAKF/W33 | |
SKF 293/1250EF轴承 SKF 351006A轴承 SKF C30/1250MB轴承 SKF C30/1250KMB轴承 SKF 321422A轴承 SKF 230/1250CAKF/W33轴承 SKF 230/1250CAF/W33轴承 SKF BT4B328819G/HA1轴承 SKF BT2B328339/HA4轴承 SKF NNU41/1250M/W33轴承 SKF NNU41/1250K30M/W33轴承 SKF N20/1250MB轴承 SKF 315913轴承 SKF 70/1250AMB轴承 SKF 718/1250AMB轴承 SKF 708/1250AMB轴承 SKF 618/1250MB轴承
轴承型号查询- 关于我们- 联系我们- 帮助中心- 专用轴承- 网站导航- 轴承索引
客服热线:010-80849863 客服QQ:168681653
地址:北京市丰台区马家堡西路36号 京ICP备17062353号-1