
型号:22252CCK/W33+OH3152H
订购电话:15811153859
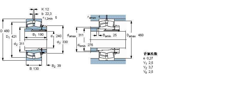
| 球面滚子轴承, 带紧定套的 | ||||||||||
| 公差 , 参见文字 | ||||||||||
| 径向内部游隙 , 参见文字 | ||||||||||
| 推荐配合 | ||||||||||
| 轴和轴承座公差 | ||||||||||
| | ||||||||||
| 主要数据尺寸 | 基本负荷额定值 | 疲劳负荷限值 | 额定速度 | 体积 | 型号 | |||||
| 动态 | 静态 | 参照速度 | 限制速度 | 轴承 + 紧定套 | ||||||
| d1 | D | B | C | C0 | Pu | |||||
| * - SKF Explorer 轴承 | ||||||||||
| | ||||||||||
| mm | kN | kN | r/min | kg | - | |||||
| | ||||||||||
| 240 | 480 | 130 | 2650 | 3550 | 285 | 1200 | 1600 | 130 | 22252 CCK/W33 + OH 3152 H * | |
SKF NN3048K/SPW33轴承 SKF KMT48轴承 SKF MB48轴承 SKF HME3048轴承 SKF HM3048轴承 SKF NNTR100x240x105.2ZL轴承 SKF 89448M轴承 SKF 81248M轴承 SKF 81148M轴承 SKF 51248M轴承 SKF 51148M轴承 SKF C3152K+AOH3152G轴承 SKF C3052K+AOH3052轴承 SKF C3152K+OH3152HTL轴承 SKF C3052K+OH3052H轴承 SKF C3148K/HA3C4轴承 SKF C3148K轴承 SKF C3148轴承 SKF C3048K/HA3C4轴承 SKF C3048K轴承 SKF C3048轴承 SKF 22352CCK/W33+OH2352H轴承 SKF 23252CCK/W33+OH2352H轴承 SKF 22252CCK/W33+OH3152H轴承 SKF 23152CCK/W33+OH3152H轴承 SKF 23052CCK/W33+OH3052H轴承 SKF 23952CCK/W33+OH3952H轴承 SKF 22348CCKJA/W33VA405轴承 SKF 22348CCK/W33轴承 SKF 22348CCJA/W33VA405轴承 SKF 22348CC/W33轴承 SKF 23248CCK/W33轴承 SKF 23248CC/W33轴承 SKF 22248CCK/W33轴承 SKF 22248CC/W33轴承 SKF 24148CCK30/W33轴承 SKF 24148CC/W33轴承 SKF 23148-2CS5K/VT143轴承 SKF 23148-2CS5/VT143轴承 SKF 23148CCK/W33轴承 SKF 23148CC/W33轴承 SKF 24048CCK30/W33轴承 SKF 24048CC/W33轴承 SKF 23048-2CS5K/VT143轴承 SKF 23048-2CS5/VT143轴承 SKF 23048CCK/W33轴承 SKF 23048CC/W33轴承 SKF 23948CCK/W33轴承 SKF 23948CC/W33轴承 SKF BT4-0020/HA1轴承 SKF BT2B332931轴承 SKF 32248T284J2/HA1DB轴承 SKF 32048T172X/DB轴承
轴承型号查询- 关于我们- 联系我们- 帮助中心- 专用轴承- 网站导航- 轴承索引
客服热线:010-80849863 客服QQ:168681653
地址:北京市丰台区马家堡西路36号 京ICP备17062353号-1