
型号:24148CCK30/W33
订购电话:15811153859
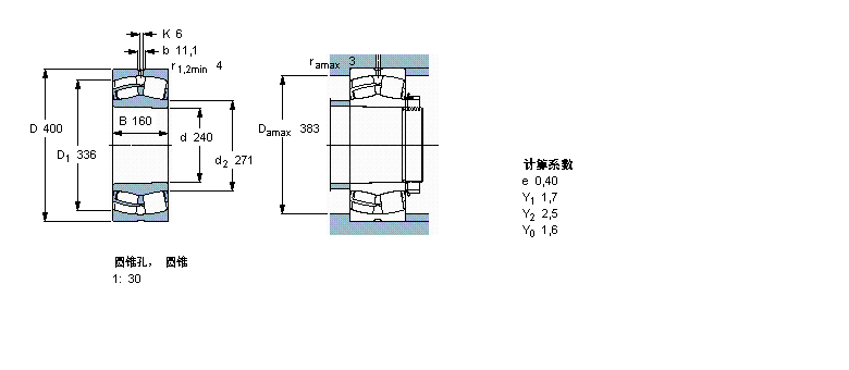
| 球面滚子轴承, 圆柱和圆锥孔, 圆锥型内孔, 无密封件 | ||||||||||
| 公差 , 参见文字 | ||||||||||
| 径向内部间隙, 圆柱型内孔 , 圆锥型内孔, 无密封件 , 参见文字 | ||||||||||
| 推荐配合 | ||||||||||
| 轴和轴承座公差 | ||||||||||
| | ||||||||||
| 主要数据尺寸 | 基本负荷额定值 | 疲劳负荷限值 | 额定速度 | 体积 | 型号 | |||||
| 动态 | 静态 | 参照速度 | 限制速度 | |||||||
| d | D | B | C | C0 | Pu | * - SKF Explorer 轴承 | ||||
| | ||||||||||
| mm | kN | kN | r/min | kg | - | |||||
| | ||||||||||
| 240 | 400 | 160 | 2400 | 3900 | 320 | 750 | 1100 | 81,5 | 24148 CCK30/W33 * | |
SKF 89448M轴承 SKF 81248M轴承 SKF 81148M轴承 SKF 51248M轴承 SKF 51148M轴承 SKF C3152K+AOH3152G轴承 SKF C3052K+AOH3052轴承 SKF C3152K+OH3152HTL轴承 SKF C3052K+OH3052H轴承 SKF C3148K/HA3C4轴承 SKF C3148K轴承 SKF C3148轴承 SKF C3048K/HA3C4轴承 SKF C3048K轴承 SKF C3048轴承 SKF 22352CCK/W33+OH2352H轴承 SKF 23252CCK/W33+OH2352H轴承 SKF 22252CCK/W33+OH3152H轴承 SKF 23152CCK/W33+OH3152H轴承 SKF 23052CCK/W33+OH3052H轴承 SKF 23952CCK/W33+OH3952H轴承 SKF 22348CCKJA/W33VA405轴承 SKF 22348CCK/W33轴承 SKF 22348CCJA/W33VA405轴承 SKF 22348CC/W33轴承 SKF 23248CCK/W33轴承 SKF 23248CC/W33轴承 SKF 22248CCK/W33轴承 SKF 22248CC/W33轴承 SKF 24148CCK30/W33轴承 SKF 24148CC/W33轴承 SKF 23148-2CS5K/VT143轴承 SKF 23148-2CS5/VT143轴承 SKF 23148CCK/W33轴承 SKF 23148CC/W33轴承 SKF 24048CCK30/W33轴承 SKF 24048CC/W33轴承 SKF 23048-2CS5K/VT143轴承 SKF 23048-2CS5/VT143轴承 SKF 23048CCK/W33轴承 SKF 23048CC/W33轴承 SKF 23948CCK/W33轴承 SKF 23948CC/W33轴承 SKF BT4-0020/HA1轴承 SKF BT2B332931轴承 SKF 32248T284J2/HA1DB轴承 SKF 32048T172X/DB轴承 SKF 32048X/DF轴承 SKF 32248J2/HA1轴承 SKF 32048X轴承 SKF T4EB240/VE174轴承 SKF IR240x265x60轴承 SKF K240x250x42轴承 SKF 319307C轴承 SKF 319307B轴承 SKF T2EE240/VB406轴承 SKF 32948轴承 SKF NA4848轴承
轴承型号查询- 关于我们- 联系我们- 帮助中心- 专用轴承- 网站导航- 轴承索引
客服热线:010-80849863 客服QQ:168681653
地址:北京市丰台区马家堡西路36号 京ICP备17062353号-1