
型号:NNCL4924CV
订购电话:15811153859
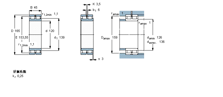
| 圆柱滚子轴承, 双列满装滚子, 无密封件, 没有载荷支承能力 | ||||||||||
| 公差 , 参见文字 | ||||||||||
| 径向内部游隙 , 参见文字 | ||||||||||
| 推荐配合 | ||||||||||
| 轴和轴承座公差 | ||||||||||
| | ||||||||||
| 主要数据尺寸 | 基本负荷额定值 | 疲劳负荷限值 | 额定速度 | 体积 | 型号 | |||||
| 动态 | 静态 | 参照速度 | 限制速度 | |||||||
| d | D | B | C | C0 | Pu | |||||
| | ||||||||||
| mm | kN | kN | r/min | kg | - | |||||
| | ||||||||||
| 120 | 165 | 45 | 242 | 480 | 53 | 1700 | 2200 | 2,85 | NNCL 4924 CV | |
SKF 23024CC/W33轴承 SKF 331181轴承 SKF 31324XJ2/DF轴承 SKF 30324J2/DFC600轴承 SKF 32224J2/DF轴承 SKF 30224J2/DF轴承 SKF 33024/DFC250轴承 SKF 32024X/DF轴承 SKF 32324J2轴承 SKF 31324XJ2轴承 SKF 30324J2轴承 SKF 32224J2轴承 SKF 30224J2轴承 SKF 33024轴承 SKF 32024X轴承 SKF T4CB120轴承 SKF IR120x135x45轴承 SKF IR120x130x30轴承 SKF K120x127x24轴承 SKF NNU6024V轴承 SKF NNU6924V轴承 SKF NNF5024ADA-2LSV轴承 SKF NNCF5024CV轴承 SKF NNCL4924CV轴承 SKF NNCF4924CV轴承 SKF NNC4924CV轴承 SKF NJG2324VH轴承 SKF NCF2224V轴承 SKF NCF3024CV轴承 SKF NCF2924CV轴承 SKF NNU6924M轴承 SKF NNU4124M/W33轴承 SKF NNU4124K30M/W33轴承 SKF NU324ECM/C3VL0241轴承 SKF C4124-2CS5V轴承 SKF C4024-2CS5V轴承 SKF NJ324ECP轴承 SKF NJ324ECML轴承 SKF NJ324ECM轴承 SKF NJ324ECJ轴承 SKF N324ECP轴承 SKF N324ECM轴承 SKF NUP2224ECP轴承 SKF NUP2224ECML轴承 SKF NUP2224ECM轴承 SKF NUP2224ECJ轴承 SKF NU2224ECP轴承 SKF NU2224ECNML轴承 SKF NU2224ECML轴承 SKF NU2224ECM轴承 SKF NU2224ECKML轴承 SKF NU2224ECJ轴承 SKF NJ2224ECP轴承 SKF 32924轴承 SKF NA4924轴承 SKF NA4824轴承 SKF RNA4822轴承
轴承型号查询- 关于我们- 联系我们- 帮助中心- 专用轴承- 网站导航- 轴承索引
客服热线:010-80849863 客服QQ:168681653
地址:北京市丰台区马家堡西路36号 京ICP备17062353号-1