
型号:NU2224ECP
订购电话:15811153859
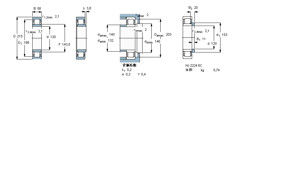
| 圆柱滚子轴承, 单列, NU 设计 | ||||||||||||
| 公差 , 参见文字 | ||||||||||||
| 径向内部间隙, 圆柱型内孔 , 圆锥型内孔, 无密封件 , 参见文字 | ||||||||||||
| 推荐配合 | ||||||||||||
| 轴和轴承座公差 | ||||||||||||
| | ||||||||||||
| 主要数据尺寸 | 基本负荷额定值 | 疲劳负荷限值 | 额定速度 | 体积 | 型号 | 适宜的斜挡圈 | ||||||
| 动态 | 静态 | 参照速度 | 限制速度 | 型号 | ||||||||
| d | D | B | C | C0 | Pu | * - SKF Explorer 轴承 | ||||||
| | ||||||||||||
| mm | kN | kN | r/min | kg | - | - | ||||||
| | ||||||||||||
| 120 | 215 | 58 | 520 | 630 | 72 | 3400 | 3600 | 8,30 | NU 2224 ECP * | HJ 2224 EC | ||
SKF NNU6024V轴承 SKF NNU6924V轴承 SKF NNF5024ADA-2LSV轴承 SKF NNCF5024CV轴承 SKF NNCL4924CV轴承 SKF NNCF4924CV轴承 SKF NNC4924CV轴承 SKF NJG2324VH轴承 SKF NCF2224V轴承 SKF NCF3024CV轴承 SKF NCF2924CV轴承 SKF NNU6924M轴承 SKF NNU4124M/W33轴承 SKF NNU4124K30M/W33轴承 SKF NU324ECM/C3VL0241轴承 SKF C4124-2CS5V轴承 SKF C4024-2CS5V轴承 SKF NJ324ECP轴承 SKF NJ324ECML轴承 SKF NJ324ECM轴承 SKF NJ324ECJ轴承 SKF N324ECP轴承 SKF N324ECM轴承 SKF NUP2224ECP轴承 SKF NUP2224ECML轴承 SKF NUP2224ECM轴承 SKF NUP2224ECJ轴承 SKF NU2224ECP轴承 SKF NU2224ECNML轴承 SKF NU2224ECML轴承 SKF NU2224ECM轴承 SKF NU2224ECKML轴承 SKF NU2224ECJ轴承 SKF NJ2224ECP轴承 SKF NJ2224ECML轴承 SKF NJ2224ECM轴承 SKF NJ2224ECJ轴承 SKF NUP224ECP轴承 SKF NUP224ECML轴承 SKF NUP224ECJ轴承 SKF NU224ECP轴承 SKF NU224ECML轴承 SKF NU224ECM轴承 SKF NU224ECJ轴承 SKF NJ224ECP轴承 SKF NJ224ECML轴承 SKF NJ224ECM轴承 SKF NJ224ECJ轴承 SKF N224ECP轴承 SKF N224ECM轴承 SKF NU1024ML轴承 SKF NU1024M轴承 SKF NJ1024ML轴承 SKF 1224M轴承 SKF 1224KM轴承 SKF QJ324N2MA轴承 SKF QJ224N2MA轴承
轴承型号查询- 关于我们- 联系我们- 帮助中心- 专用轴承- 网站导航- 轴承索引
客服热线:010-80849863 客服QQ:168681653
地址:北京市丰台区马家堡西路36号 京ICP备17062353号-1