
型号:NNC4922CV
订购电话:15811153859
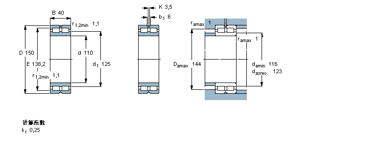
| 圆柱滚子轴承, 双列满装滚子, 无密封件, 双方向轴向负荷的挡边 | ||||||||||
| 公差 , 参见文字 | ||||||||||
| 径向内部游隙 , 参见文字 | ||||||||||
| 推荐配合 | ||||||||||
| 轴和轴承座公差 | ||||||||||
| | ||||||||||
| 主要数据尺寸 | 基本负荷额定值 | 疲劳负荷限值 | 额定速度 | 体积 | 型号 | |||||
| 动态 | 静态 | 参照速度 | 限制速度 | |||||||
| d | D | B | C | C0 | Pu | |||||
| | ||||||||||
| mm | kN | kN | r/min | kg | - | |||||
| | ||||||||||
| 110 | 150 | 40 | 220 | 430 | 49 | 1900 | 2400 | 2,15 | NNC 4922 CV | |
SKF 32222J2/DF轴承 SKF 30222J2/DF轴承 SKF 33122/DF轴承 SKF 32022X/QDF轴承 SKF 31322XJ2轴承 SKF 30322J2轴承 SKF 32222J2轴承 SKF 30222J2轴承 SKF 33122轴承 SKF 64432/64708轴承 SKF 33022轴承 SKF 32022X/Q轴承 SKF 32922X/Q轴承 SKF IR110x125x40轴承 SKF IR110x120x30轴承 SKF NK110/40轴承 SKF NK110/30轴承 SKF K110x118x30轴承 SKF NNU6922V轴承 SKF NNF5022ADA-2LSV轴承 SKF NNCF5022CV轴承 SKF NNCL4922CV轴承 SKF NNCF4922CV轴承 SKF NNC4922CV轴承 SKF NJG2322VH轴承 SKF NCF3022CV轴承 SKF NCF2922CV轴承 SKF 315754轴承 SKF NNU6922M轴承 SKF NNU4122M/W33轴承 SKF NNU4122K30M/W33轴承 SKF NU322ECM/C3VL0241轴承 SKF C4122-2CS5V轴承 SKF C4022-2CS5V轴承 SKF 22222E/W64轴承 SKF NUP2222ECML轴承 SKF NUB222ECJ轴承 SKF NU2222ECP轴承 SKF NU2222ECNML轴承 SKF NU2222ECN1ML轴承 SKF NU2222ECML轴承 SKF NU2222ECJ轴承 SKF NJ2222ECP轴承 SKF NJ2222ECML轴承 SKF NJ2222ECJ轴承 SKF NUP222ECP轴承 SKF NUP222ECML轴承 SKF NU222ECP轴承 SKF NU222ECML轴承 SKF NU222ECM轴承 SKF NU222ECJ轴承 SKF NJ222ECP轴承 SKF NJ222ECML轴承 SKF 32322轴承 SKF NA4922轴承 SKF NA4822轴承 SKF RNA6919轴承 SKF RNA4919轴承
轴承型号查询- 关于我们- 联系我们- 帮助中心- 专用轴承- 网站导航- 轴承索引
客服热线:010-80849863 客服QQ:168681653
地址:北京市丰台区马家堡西路36号 京ICP备17062353号-1