
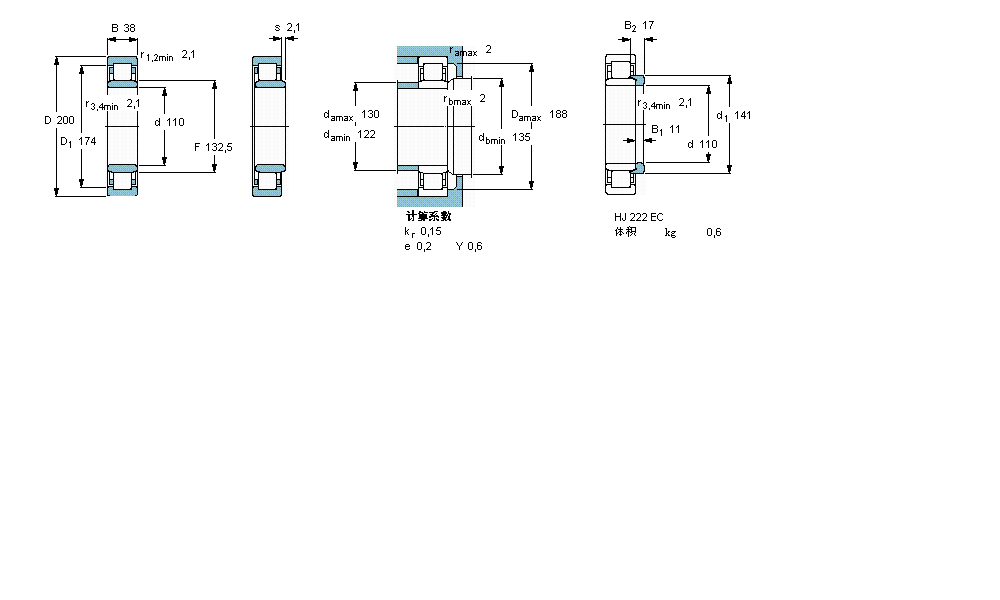
型号:NU222ECM
订购电话:15811153859
| 圆柱滚子轴承, 单列, NU 设计 | ||||||||||||
| 公差 , 参见文字 | ||||||||||||
| 径向内部间隙, 圆柱型内孔 , 圆锥型内孔, 无密封件 , 参见文字 | ||||||||||||
| 推荐配合 | ||||||||||||
| 轴和轴承座公差 | ||||||||||||
| | ||||||||||||
| 主要数据尺寸 | 基本负荷额定值 | 疲劳负荷限值 | 额定速度 | 体积 | 型号 | 适宜的斜挡圈 | ||||||
| 动态 | 静态 | 参照速度 | 限制速度 | 型号 | ||||||||
| d | D | B | C | C0 | Pu | * - SKF Explorer 轴承 | ||||||
| | ||||||||||||
| mm | kN | kN | r/min | kg | - | - | ||||||
| | ||||||||||||
| 110 | 200 | 38 | 335 | 365 | 42,5 | 3600 | 4000 | 5,40 | NU 222 ECM * | HJ 222 EC | ||
SKF NNCF5022CV轴承 SKF NNCL4922CV轴承 SKF NNCF4922CV轴承 SKF NNC4922CV轴承 SKF NJG2322VH轴承 SKF NCF3022CV轴承 SKF NCF2922CV轴承 SKF 315754轴承 SKF NNU6922M轴承 SKF NNU4122M/W33轴承 SKF NNU4122K30M/W33轴承 SKF NU322ECM/C3VL0241轴承 SKF C4122-2CS5V轴承 SKF C4022-2CS5V轴承 SKF 22222E/W64轴承 SKF NUP2222ECML轴承 SKF NUB222ECJ轴承 SKF NU2222ECP轴承 SKF NU2222ECNML轴承 SKF NU2222ECN1ML轴承 SKF NU2222ECML轴承 SKF NU2222ECJ轴承 SKF NJ2222ECP轴承 SKF NJ2222ECML轴承 SKF NJ2222ECJ轴承 SKF NUP222ECP轴承 SKF NUP222ECML轴承 SKF NU222ECP轴承 SKF NU222ECML轴承 SKF NU222ECM轴承 SKF NU222ECJ轴承 SKF NJ222ECP轴承 SKF NJ222ECML轴承 SKF NJ222ECM轴承 SKF NJ222ECJ轴承 SKF N222ECP轴承 SKF N222ECM轴承 SKF NU1022ML轴承 SKF NU1022M轴承 SKF NU422M轴承 SKF NJ422M轴承 SKF NJ422轴承 SKF NU2322ECP轴承 SKF NU2322ECMA轴承 SKF NU2322ECKMA轴承 SKF NJ2322ECP轴承 SKF NJ2322ECMA轴承 SKF NUP322ECP轴承 SKF NUP322ECML轴承 SKF NUP322ECJ轴承 SKF NU322ECP轴承 SKF NU322ECNML轴承 SKF NU322ECML轴承 SKF NU322ECM轴承 SKF NU322ECJ轴承 SKF NJ322ECP轴承 SKF NJ322ECML轴承 SKF NJ322ECM轴承 SKF NU422轴承
轴承型号查询- 关于我们- 联系我们- 帮助中心- 专用轴承- 网站导航- 轴承索引
客服热线:010-80849863 客服QQ:168681653
地址:北京市丰台区马家堡西路36号 京ICP备17062353号-1