
型号:NUP317ECM
订购电话:15811153859
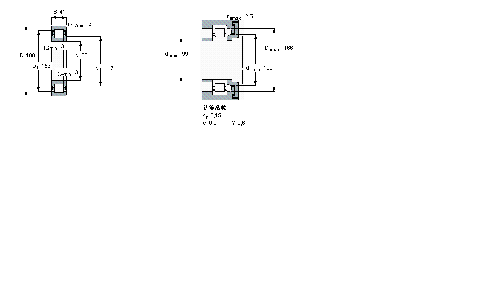
| 圆柱滚子轴承, 单列, NUP 设计 | ||||||||||||
| 公差 , 参见文字 | ||||||||||||
| 径向内部间隙, 圆柱型内孔 , 圆锥型内孔, 无密封件 , 参见文字 | ||||||||||||
| 推荐配合 | ||||||||||||
| 轴和轴承座公差 | ||||||||||||
| | ||||||||||||
| 主要数据尺寸 | 基本负荷额定值 | 疲劳负荷限值 | 额定速度 | 体积 | 型号 | 适宜的斜挡圈 | ||||||
| 动态 | 静态 | 参照速度 | 限制速度 | 型号 | ||||||||
| d | D | B | C | C0 | Pu | * - SKF Explorer 轴承 | ||||||
| | ||||||||||||
| mm | kN | kN | r/min | kg | - | - | ||||||
| | ||||||||||||
| 85 | 180 | 41 | 340 | 335 | 41,5 | 4000 | 4800 | 4,90 | NUP 317 ECM * | - | ||
SKF 33017/Q轴承 SKF 32017X/Q轴承 SKF NKI85/36轴承 SKF NKI85/26轴承 SKF NNF5017ADB-2LSV轴承 SKF NNCF5017CV轴承 SKF NJG2317VH轴承 SKF NU317ECM/C3VL0241轴承 SKF 22217E/W64轴承 SKF NU417M轴承 SKF NJ417M轴承 SKF NJ417轴承 SKF NUP2317ECP轴承 SKF NUP2317ECNP轴承 SKF NUP2317ECML轴承 SKF NU2317ECP轴承 SKF NU2317ECML轴承 SKF NU2317ECM轴承 SKF NU2317ECKJ轴承 SKF NU2317ECJ轴承 SKF NJ2317ECP轴承 SKF NJ2317ECML轴承 SKF NJ2317ECM轴承 SKF NUP317ECP轴承 SKF NUP317ECM轴承 SKF NUP317ECJ轴承 SKF NU317ECP轴承 SKF NU317ECM轴承 SKF NU317ECJ轴承 SKF NJ317ECP轴承 SKF NJ317ECM轴承 SKF NJ317ECJ轴承 SKF N317ECP轴承 SKF N317ECM轴承 SKF NUP2217ECP轴承 SKF NUP2217ECML轴承 SKF NUB217ECJ轴承 SKF NU2217ECP轴承 SKF NU2217ECML轴承 SKF NU2217ECM轴承 SKF NU2217ECJ轴承 SKF NJ2217ECP轴承 SKF NJ2217ECML轴承 SKF NJ2217ECM轴承 SKF NJ2217ECJ轴承 SKF NUP217ECP轴承 SKF NUP217ECML轴承 SKF NUP217ECJ轴承 SKF NU217ECP轴承 SKF NU217ECML轴承 SKF NU217ECM轴承 SKF NU217ECJ轴承 SKF NJ217ECP轴承 SKF NJ217ECML轴承 SKF NA6917轴承 SKF NA4917轴承 SKF NU417轴承
轴承型号查询- 关于我们- 联系我们- 帮助中心- 专用轴承- 网站导航- 轴承索引
客服热线:010-80849863 客服QQ:168681653
地址:北京市丰台区马家堡西路36号 京ICP备17062353号-1