
型号:NJ217ECML
订购电话:15811153859
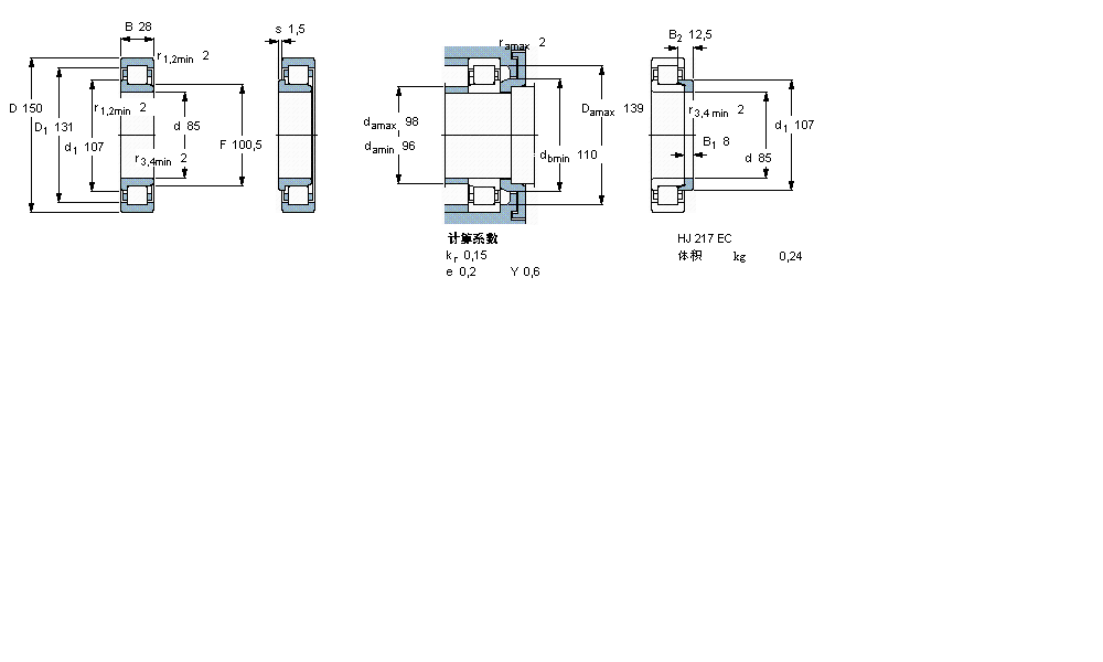
| 圆柱滚子轴承, 单列, NJ 设计 | ||||||||||||
| 公差 , 参见文字 | ||||||||||||
| 径向内部间隙, 圆柱型内孔 , 圆锥型内孔, 无密封件 , 参见文字 | ||||||||||||
| 推荐配合 | ||||||||||||
| 轴和轴承座公差 | ||||||||||||
| | ||||||||||||
| 主要数据尺寸 | 基本负荷额定值 | 疲劳负荷限值 | 额定速度 | 体积 | 型号 | 适宜的斜挡圈 | ||||||
| 动态 | 静态 | 参照速度 | 限制速度 | 型号 | ||||||||
| d | D | B | C | C0 | Pu | * - SKF Explorer 轴承 | ||||||
| | ||||||||||||
| mm | kN | kN | r/min | kg | - | - | ||||||
| | ||||||||||||
| 85 | 150 | 28 | 190 | 200 | 24,5 | 4800 | 8000 | 2,15 | NJ 217 ECML * | HJ 217 EC | ||
SKF NUP317ECM轴承 SKF NUP317ECJ轴承 SKF NU317ECP轴承 SKF NU317ECM轴承 SKF NU317ECJ轴承 SKF NJ317ECP轴承 SKF NJ317ECM轴承 SKF NJ317ECJ轴承 SKF N317ECP轴承 SKF N317ECM轴承 SKF NUP2217ECP轴承 SKF NUP2217ECML轴承 SKF NUB217ECJ轴承 SKF NU2217ECP轴承 SKF NU2217ECML轴承 SKF NU2217ECM轴承 SKF NU2217ECJ轴承 SKF NJ2217ECP轴承 SKF NJ2217ECML轴承 SKF NJ2217ECM轴承 SKF NJ2217ECJ轴承 SKF NUP217ECP轴承 SKF NUP217ECML轴承 SKF NUP217ECJ轴承 SKF NU217ECP轴承 SKF NU217ECML轴承 SKF NU217ECM轴承 SKF NU217ECJ轴承 SKF NJ217ECP轴承 SKF NJ217ECML轴承 SKF NJ217ECM轴承 SKF NJ217ECJ轴承 SKF N217ECP轴承 SKF 1319K+H319轴承 SKF 2219KM+H319轴承 SKF 1219K+H219轴承 SKF 2217轴承 SKF 1217K轴承 SKF 1217轴承 SKF QJ317N2MA轴承 SKF QJ217N2MA轴承 SKF QJ217MA轴承 SKF QJ1017N2MA轴承 SKF 29417E轴承 SKF 29317E轴承 SKF NK85/35轴承 SKF NK85/25轴承 SKF N217ECM轴承 SKF NU1017ML轴承 SKF NU1017M轴承 SKF NJ1017ML轴承 SKF NCF3017CV轴承 SKF NCF2917CV轴承 SKF 5317A轴承 SKF 3317A轴承 SKF 5217E轴承 SKF 5217A-2Z轴承 SKF RNA6915轴承 SKF RNA4915轴承
轴承型号查询- 关于我们- 联系我们- 帮助中心- 专用轴承- 网站导航- 轴承索引
客服热线:010-80849863 客服QQ:168681653
地址:北京市丰台区马家堡西路36号 京ICP备17062353号-1