
型号:NU2212ECJ
订购电话:15811153859
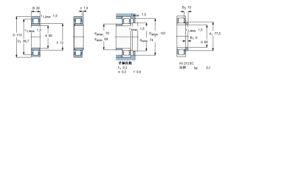
| 圆柱滚子轴承, 单列, NU 设计 | ||||||||||||
| 公差 , 参见文字 | ||||||||||||
| 径向内部间隙, 圆柱型内孔 , 圆锥型内孔, 无密封件 , 参见文字 | ||||||||||||
| 推荐配合 | ||||||||||||
| 轴和轴承座公差 | ||||||||||||
| | ||||||||||||
| 主要数据尺寸 | 基本负荷额定值 | 疲劳负荷限值 | 额定速度 | 体积 | 型号 | 适宜的斜挡圈 | ||||||
| 动态 | 静态 | 参照速度 | 限制速度 | 型号 | ||||||||
| d | D | B | C | C0 | Pu | * - SKF Explorer 轴承 | ||||||
| | ||||||||||||
| mm | kN | kN | r/min | kg | - | - | ||||||
| | ||||||||||||
| 60 | 110 | 28 | 146 | 153 | 20 | 6700 | 7500 | 1,10 | NU 2212 ECJ * | HJ 212 EC | ||
SKF NNC4912CV轴承 SKF C2314K+H2314轴承 SKF C2214KV+H314轴承 SKF C2214KTN9+H314E轴承 SKF C2213KV+H313轴承 SKF C2213KTN9+H313E轴承 SKF 21313EK+H313轴承 SKF 22214EK+H314轴承 SKF 22213EK+H313轴承 SKF 22312E/W64轴承 SKF 21312E/W64轴承 SKF 22212E/W64轴承 SKF NU312ECM轴承 SKF NU312ECJ轴承 SKF NJ312ECP轴承 SKF NJ312ECML轴承 SKF NJ312ECM轴承 SKF NJ312ECJ轴承 SKF N312ECP轴承 SKF N312ECM轴承 SKF N312ECJ轴承 SKF NUP2212ECP轴承 SKF NUP2212ECML轴承 SKF NUP2212ECM轴承 SKF NUP2212ECJ轴承 SKF NU2212ECP轴承 SKF NU2212ECML轴承 SKF NU2212ECM轴承 SKF NU2212ECJ轴承 SKF NJ2212ECP轴承 SKF NJ2212ECML轴承 SKF NJ2212ECM轴承 SKF NJ2212ECJ轴承 SKF NUP212ECP轴承 SKF NUP212ECML轴承 SKF NUP212ECM轴承 SKF NUP212ECJ轴承 SKF NU212ECP轴承 SKF NU212ECML轴承 SKF NU212ECM轴承 SKF NU212ECJ轴承 SKF NJ212ECP轴承 SKF NJ212ECML轴承 SKF NJ212ECM轴承 SKF NJ212ECJ轴承 SKF N212ECP轴承 SKF N212ECM轴承 SKF NU1012ML轴承 SKF 1212ETN9/W64轴承 SKF 1313EKTN9+H313轴承 SKF 2213EKTN9+H313轴承 SKF 2213E-2RS1KTN9+H313C轴承 SKF 1213EKTN9+H213轴承 SKF 1412M轴承 SKF 2312M轴承 SKF 2312K轴承 SKF 2312轴承 SKF 22313EK+H2313轴承 SKF 2313K+H2313轴承
轴承型号查询- 关于我们- 联系我们- 帮助中心- 专用轴承- 网站导航- 轴承索引
客服热线:010-80849863 客服QQ:168681653
地址:北京市丰台区马家堡西路36号 京ICP备17062353号-1