
型号:2312M
订购电话:15811153859
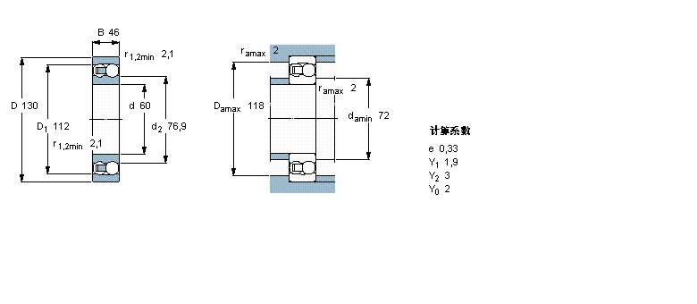
| 自调心球轴承, 圆柱孔和圆锥孔, 圆柱型内孔, 无密封件 | ||||||||||
| 公差 , 参见文字 | ||||||||||
| 径向内部游隙 , 参见文字 | ||||||||||
| 推荐配合 | ||||||||||
| 轴和轴承座公差 | ||||||||||
| | ||||||||||
| 主要数据尺寸 | 基本负荷额定值 | 疲劳负荷限值 | 额定速度 | 体积 | 型号 | |||||
| 动态 | 静态 | 参照速度 | 限制速度 | |||||||
| d | D | B | C | C0 | Pu | |||||
| | ||||||||||
| mm | kN | kN | r/min | kg | - | |||||
| | ||||||||||
| 60 | 130 | 46 | 87,1 | 28,5 | 1,46 | 9500 | 7000 | 2,90 | 2312 M | |
SKF NU2212ECML轴承 SKF NU2212ECM轴承 SKF NU2212ECJ轴承 SKF NJ2212ECP轴承 SKF NJ2212ECML轴承 SKF NJ2212ECM轴承 SKF NJ2212ECJ轴承 SKF NUP212ECP轴承 SKF NUP212ECML轴承 SKF NUP212ECM轴承 SKF NUP212ECJ轴承 SKF NU212ECP轴承 SKF NU212ECML轴承 SKF NU212ECM轴承 SKF NU212ECJ轴承 SKF NJ212ECP轴承 SKF NJ212ECML轴承 SKF NJ212ECM轴承 SKF NJ212ECJ轴承 SKF N212ECP轴承 SKF N212ECM轴承 SKF NU1012ML轴承 SKF 1212ETN9/W64轴承 SKF 1313EKTN9+H313轴承 SKF 2213EKTN9+H313轴承 SKF 2213E-2RS1KTN9+H313C轴承 SKF 1213EKTN9+H213轴承 SKF 1412M轴承 SKF 2312M轴承 SKF 2312K轴承 SKF 2312轴承 SKF 1312ETN9轴承 SKF 1312EKTN9轴承 SKF 11212TN9轴承 SKF 2212ETN9轴承 SKF 2212EKTN9轴承 SKF 2212E-2RS1TN9轴承 SKF 2212E-2RS1KTN9轴承 SKF 1212ETN9轴承 SKF 1212EKTN9轴承 SKF QJ312N2MA轴承 SKF QJ312MA轴承 SKF QJ212N2PHAS轴承 SKF QJ212N2MA轴承 SKF QJ212MA轴承 SKF 5412A轴承 SKF 5312E-2Z轴承 SKF 5312E轴承 SKF 5312A-2Z轴承 SKF 5312A轴承 SKF 3312A-2Z/MT33轴承 SKF 3312A轴承 SKF 5212E-2Z轴承 SKF 5212E-2RS1轴承 SKF 5212E轴承 SKF 5212A-2Z轴承 SKF 5212A-2RS1轴承 SKF 5212A轴承 SKF 2313K+H2313轴承
轴承型号查询- 关于我们- 联系我们- 帮助中心- 专用轴承- 网站导航- 轴承索引
客服热线:010-80849863 客服QQ:168681653
地址:北京市丰台区马家堡西路36号 京ICP备17062353号-1