
型号:SIL60ES-2RS
订购电话:15811153859
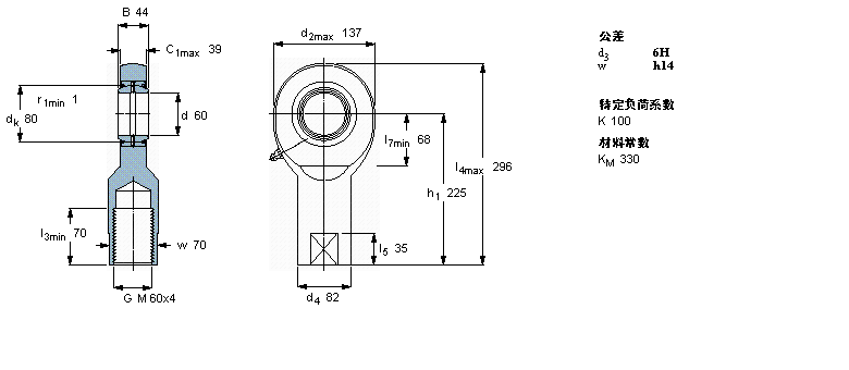
| 需要维护的杆端, 钢对钢,阴螺纹, 两面密封件 | |||||||||||
| 公差 , 参见文字 | |||||||||||
| 径向内部游隙 , 参见文字 | |||||||||||
| | |||||||||||
| 主要数据尺寸 | 角度倾的 | 基本负荷额定值 | 质量 | 型号 | |||||||
| 动态 | 静态 | 杆端带右或左旋螺纹 | |||||||||
| d | d2 | B | d3 | C1 | h1 | ± | C | C0 | |||
| 6H | |||||||||||
| | |||||||||||
| mm | 度数 | kN | kg | - | |||||||
| | |||||||||||
| 60 | 137 | 44 | M 60x4 | 39 | 225 | 6 | 245 | 400 | 7,10 | SIL 60 ES-2RS | |
SKF GX120F轴承 SKF SI6E轴承 SKF SIL6E轴承 SKF SI8E轴承 SKF SIL8E轴承 SKF SI10E轴承 SKF SIL10E轴承 SKF SI12E轴承 SKF SIL12E轴承 SKF SI25ES轴承 SKF SIL25ES轴承 SKF SI30ES轴承 SKF SIL30ES轴承 SKF SI35ES-2RS轴承 SKF SIL35ES-2RS轴承 SKF SI40ES-2RS轴承 SKF SIA40ES-2RS轴承 SKF SIL40ES-2RS轴承 SKF SILA40ES-2RS轴承 SKF SI45ES-2RS轴承 SKF SIA45ES-2RS轴承 SKF SIL45ES-2RS轴承 SKF SILA45ES-2RS轴承 SKF SI50ES-2RS轴承 SKF SIA50ES-2RS轴承 SKF SIL50ES-2RS轴承 SKF SILA50ES-2RS轴承 SKF SI60ES-2RS轴承 SKF SIA60ES-2RS轴承 SKF SIL60ES-2RS轴承 SKF SILA60ES-2RS轴承 SKF SI70ES-2RS轴承 SKF SIA70ES-2RS轴承 SKF SIL70ES-2RS轴承 SKF SILA70ES-2RS轴承 SKF SI80ES-2RS轴承 SKF SIA80ES-2RS轴承 SKF SIL80ES-2RS轴承 SKF SILA80ES-2RS轴承 SKF SIQG12ESA轴承 SKF SIJ12E轴承 SKF SIQG16ES轴承 SKF SIJ16ES轴承 SKF SIQG20ES轴承 SKF SIJ20ES轴承 SKF SIR20ES轴承 SKF SIR25ES轴承 SKF SIQG25ES轴承 SKF SIJ25ES轴承 SKF SIR30ES轴承 SKF SIJ30ES轴承 SKF SIQG32ES轴承 SKF SIR35ES轴承 SKF SIR40ES轴承 SKF SIQG40ES轴承 SKF SIJ40ES轴承 SKF SIQG50ES轴承 SKF SIR50ES轴承 SKF SIJ50ES轴承
轴承型号查询- 关于我们- 联系我们- 帮助中心- 专用轴承- 网站导航- 轴承索引
客服热线:010-80849863 客服QQ:168681653
地址:北京市丰台区马家堡西路36号 京ICP备17062353号-1