
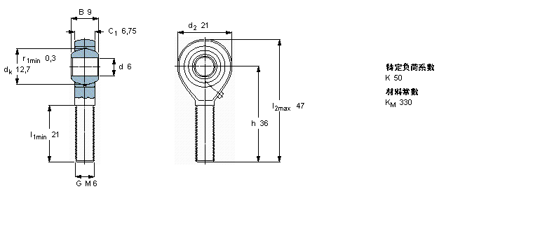
型号:SALKAC6M
订购电话:15811153859
| 需要维护的杆端, 钢对青铜,阳螺纹 | |||||||||||
| 公差 , 参见文字 | |||||||||||
| 径向内部游隙 , 参见文字 | |||||||||||
| | |||||||||||
| 主要数据尺寸 | 角度倾的 | 基本负荷额定值 | 质量 | 型号 | |||||||
| 动态 | 静态 | 轴承座完全与 | |||||||||
| d | d2 | B | d3 | C1 | h | ± | C | C0 | |||
| 6g | |||||||||||
| | |||||||||||
| mm | 度数 | kN | kg | - | |||||||
| | |||||||||||
| 6 | 21 | 9 | M 6 | 6,75 | 36 | 13 | 4,3 | 4,8 | 0,021 | SALKAC 6 M | |
SKF SA70ES-2RS轴承 SKF SAA70ES-2RS轴承 SKF SAL70ES-2RS轴承 SKF SALA70ES-2RS轴承 SKF SA80ES-2RS轴承 SKF SAA80ES-2RS轴承 SKF SAL80ES-2RS轴承 SKF SALA80ES-2RS轴承 SKF SCF20ES轴承 SKF SC20ES轴承 SKF SCF25ES轴承 SKF SC25ES轴承 SKF SCF30ES轴承 SKF SC30ES轴承 SKF SC35ES轴承 SKF SCF35ES轴承 SKF SC40ES轴承 SKF SCF40ES轴承 SKF SC45ES轴承 SKF SCF45ES轴承 SKF SILKAC22M轴承 SKF SIKAC25M轴承 SKF SILKAC25M轴承 SKF SIKAC30M轴承 SKF SIKAC30M/VZ019轴承 SKF SILKAC30M轴承 SKF SAKAC5M轴承 SKF SALKAC5M轴承 SKF SAKAC6M轴承 SKF SALKAC6M轴承 SKF SAKAC8M轴承 SKF SALKAC8M轴承 SKF SAKAC10M轴承 SKF SALKAC10M轴承 SKF SAKAC12M轴承 SKF SALKAC12M轴承 SKF SAKAC14M轴承 SKF SALKAC14M轴承 SKF SAKAC16M轴承 SKF SALKAC16M轴承 SKF SAKAC18M轴承 SKF SALKAC18M轴承 SKF SAKAC20M轴承 SKF SALKAC20M轴承 SKF SAKAC22M轴承 SKF SALKAC22M轴承 SKF SAKAC25M轴承 SKF SALKAC25M轴承 SKF SAKAC30M轴承 SKF SALKAC30M轴承 SKF SIKB5F轴承 SKF SIKB5F/VZ019轴承 SKF SILKB5F轴承 SKF SIKB6F轴承 SKF SILKB6F轴承 SKF SI6C轴承 SKF SIL6C轴承 SKF SI8C轴承 SKF SIL8C轴承
轴承型号查询- 关于我们- 联系我们- 帮助中心- 专用轴承- 网站导航- 轴承索引
客服热线:010-80849863 客服QQ:168681653
地址:北京市丰台区马家堡西路36号 京ICP备17062353号-1