
型号:BC1B322416/HA1
订购电话:15811153859
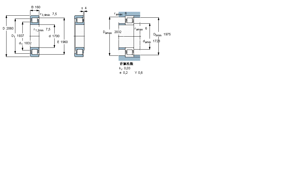
| 圆柱滚子轴承, 单列, NF 设计 | ||||||||||||
| 公差 , 参见文字 | ||||||||||||
| 径向内部间隙, 圆柱型内孔 , 圆锥型内孔, 无密封件 , 参见文字 | ||||||||||||
| 推荐配合 | ||||||||||||
| 轴和轴承座公差 | ||||||||||||
| | ||||||||||||
| 主要数据尺寸 | 基本负荷额定值 | 疲劳负荷限值 | 额定速度 | 体积 | 型号 | 适宜的斜挡圈 | ||||||
| 动态 | 静态 | 参照速度 | 限制速度 | 型号 | ||||||||
| d | D | B | C | C0 | Pu | |||||||
| | ||||||||||||
| mm | kN | kN | r/min | kg | - | - | ||||||
| | ||||||||||||
| 1700 | 2060 | 160 | 3690 | 9150 | 490 | 160 | 200 | 935 | BC1B 322416/HA1 | - | ||
轴承型号查询- 关于我们- 联系我们- 帮助中心- 专用轴承- 网站导航- 轴承索引
客服热线:010-80849863 客服QQ:168681653
地址:北京市丰台区马家堡西路36号 京ICP备17062353号-1