
型号:NJ18/1320ECMA
订购电话:15811153859
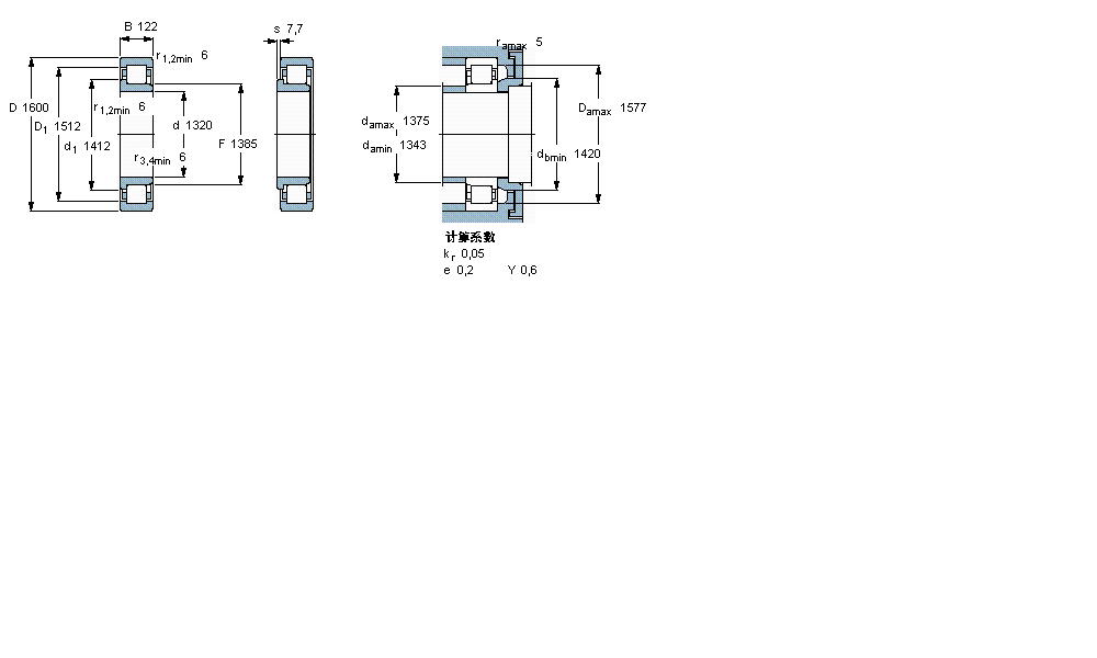
| 圆柱滚子轴承, 单列, NJ 设计 | ||||||||||||
| 公差 , 参见文字 | ||||||||||||
| 径向内部间隙, 圆柱型内孔 , 圆锥型内孔, 无密封件 , 参见文字 | ||||||||||||
| 推荐配合 | ||||||||||||
| 轴和轴承座公差 | ||||||||||||
| | ||||||||||||
| 主要数据尺寸 | 基本负荷额定值 | 疲劳负荷限值 | 额定速度 | 体积 | 型号 | 适宜的斜挡圈 | ||||||
| 动态 | 静态 | 参照速度 | 限制速度 | 型号 | ||||||||
| d | D | B | C | C0 | Pu | |||||||
| | ||||||||||||
| mm | kN | kN | r/min | kg | - | - | ||||||
| | ||||||||||||
| 1320 | 1600 | 122 | 3800 | 10000 | 570 | 260 | 340 | 530 | NJ 18/1320 ECMA | - | ||
SKF 249/1320CAK30F/W33轴承 SKF 249/1320CAF/W33轴承 SKF 248/1320CAK30FA/W20轴承 SKF 248/1320CAFA/W20轴承 SKF NNU41/1320M/W33轴承 SKF NNU41/1320K30M/W33轴承 SKF NN49/1320KFB/W33轴承 SKF NN49/1320FB/W33轴承 SKF N30/1320/VE901轴承 SKF N39/1320MB轴承 SKF NU29/1320ECFR轴承 SKF NU18/1320MAS/343016轴承 SKF NJ18/1320ECMA轴承 SKF 609/1320MB轴承 SKF 618/1320MA轴承
轴承型号查询- 关于我们- 联系我们- 帮助中心- 专用轴承- 网站导航- 轴承索引
客服热线:010-80849863 客服QQ:168681653
地址:北京市丰台区马家堡西路36号 京ICP备17062353号-1