
型号:248/1180CAFA/W20
订购电话:15811153859
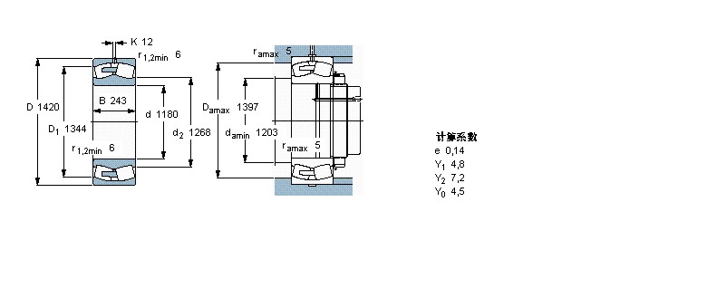
| 球面滚子轴承, 圆柱和圆锥孔, 圆柱型内孔, 无密封件 | ||||||||||
| 公差 , 参见文字 | ||||||||||
| 径向内部间隙, 圆柱型内孔 , 圆锥型内孔, 无密封件 , 参见文字 | ||||||||||
| 推荐配合 | ||||||||||
| 轴和轴承座公差 | ||||||||||
| | ||||||||||
| 主要数据尺寸 | 基本负荷额定值 | 疲劳负荷限值 | 额定速度 | 体积 | 型号 | |||||
| 动态 | 静态 | 参照速度 | 限制速度 | |||||||
| d | D | B | C | C0 | Pu | |||||
| | ||||||||||
| mm | kN | kN | r/min | kg | - | |||||
| | ||||||||||
| 1180 | 1420 | 243 | 7710 | 27000 | 1560 | 170 | 320 | 770 | 248/1180 CAFA/W20 | |
SKF 292/1180EF轴承 SKF 511/1180F轴承 SKF C39/1180MB轴承 SKF C39/1180KMB轴承 SKF 321542轴承 SKF 249/1180CAK30F/W33轴承 SKF 249/1180CAF/W33轴承 SKF 239/1180CAKF/W33轴承 SKF 239/1180CAF/W33轴承 SKF 248/1180CAK30FA/W20轴承 SKF 248/1180CAFA/W20轴承 SKF 238/1180CAKFA/W20轴承 SKF 238/1180CAFA/W20轴承 SKF NNU41/1180M/W33轴承 SKF NNU41/1180K30M/W33轴承 SKF N39/1180MB轴承 SKF NUP29/1180ECMA/HA1轴承 SKF NU29/1180ECMA/HA1轴承 SKF NJ18/1180ECMA轴承 SKF 70/1180AMB轴承 SKF 619/1180MB轴承 SKF 618/1180MB轴承
轴承型号查询- 关于我们- 联系我们- 帮助中心- 专用轴承- 网站导航- 轴承索引
客服热线:010-80849863 客服QQ:168681653
地址:北京市丰台区马家堡西路36号 京ICP备17062353号-1