
型号:249/1000CAK30/W33
订购电话:15811153859
| 球面滚子轴承, 圆柱和圆锥孔, 圆锥型内孔, 无密封件 | ||||||||||
| 公差 , 参见文字 | ||||||||||
| 径向内部间隙, 圆柱型内孔 , 圆锥型内孔, 无密封件 , 参见文字 | ||||||||||
| 推荐配合 | ||||||||||
| 轴和轴承座公差 | ||||||||||
| | ||||||||||
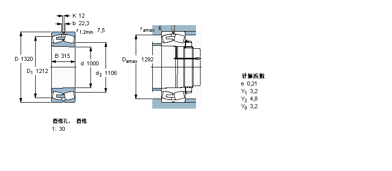
| 主要数据尺寸 | 基本负荷额定值 | 疲劳负荷限值 | 额定速度 | 体积 | 型号 | |||||
| 动态 | 静态 | 参照速度 | 限制速度 | |||||||
| d | D | B | C | C0 | Pu | |||||
| | ||||||||||
| mm | kN | kN | r/min | kg | - | |||||
| | ||||||||||
| 1000 | 1320 | 315 | 10400 | 29000 | 1500 | 170 | 320 | 1180 | 249/1000 CAK30/W33 | |
SKF GEP1000FS轴承 SKF GEC1000FBAS轴承 SKF HM31/1000轴承 SKF HM30/1000轴承 SKF 812/1000M轴承 SKF 811/1000M轴承 SKF 891/1000M轴承 SKF BGSB634146轴承 SKF 351585B轴承 SKF 511/1000F轴承 SKF 591/1000M轴承 SKF 510/1000M轴承 SKF C39/1060KMB+OH39/1060HE轴承 SKF 321394A轴承 SKF 230/1060CAK/W33+OH30/1060H轴承 SKF 239/1060CAK/W33+OH39/1060H轴承 SKF 231/1000CAKF/W33轴承 SKF 231/1000CAF/W33轴承 SKF 240/1000CAK30F/W33轴承 SKF 240/1000CAF/W33轴承 SKF 230/1000CAKF/W33轴承 SKF 230/1000CAF/W33轴承 SKF 249/1000CAK30/W33轴承 SKF 249/1000CA/W33轴承 SKF 238/1000CAMA/W20轴承 SKF 238/1000CAKMA/W20轴承 SKF 241/1000ECAK30F/W33轴承
轴承型号查询- 关于我们- 联系我们- 帮助中心- 专用轴承- 网站导航- 轴承索引
客服热线:010-80849863 客服QQ:168681653
地址:北京市丰台区马家堡西路36号 京ICP备17062353号-1