
型号:BSR-8000
订购电话:15811153859
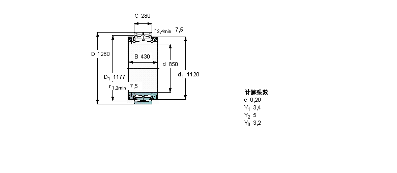
| 球面滚子轴承, 剖分式 | |||||||||
| 公差 , 参见文字 | |||||||||
| 径向内部游隙 , 参见文字 | |||||||||
| 推荐配合, 参见文字 | |||||||||
| 轴和轴承座公差 | |||||||||
| | |||||||||
| 主要数据尺寸 | 基本负荷额定值 | 疲劳负荷限值 | 体积 | 型号 | |||||
| 动态 | 静态 | ||||||||
| d | D | B | C | C | C0 | Pu | |||
| | |||||||||
| mm | kN | kN | kg | - | |||||
| | |||||||||
| 850 | 1280 | 430 | 280 | 10100 | 23200 | 1340 | 1550 | BSR-8000 | |
SKF C30/900KMB+OH30/900HE轴承 SKF C39/900KMB+OH39/900HE轴承 SKF 230/900CAK/W33+OH30/900H轴承 SKF 239/900CAK/W33+OH39/900H轴承 SKF 241/850ECAK30F/W33轴承 SKF 241/850ECAF/W33轴承 SKF 231/850CAK/W33轴承 SKF 240/850ECAK30/W33轴承 SKF 230/850CAK/W33轴承 SKF 249/850CAK30/W33轴承 SKF 238/850CAKMA/W20轴承 SKF C30/900KM+AOH30/900轴承 SKF 891/850M轴承 SKF 511/850F轴承 SKF 591/850M轴承 SKF C30/900KM+OH30/900H轴承 SKF BS2B243268轴承 SKF 231/850CA/W33轴承 SKF 240/850ECA/W33轴承 SKF 230/850CA/W33轴承 SKF 249/850CA/W33轴承 SKF 239/850CAK/W33轴承 SKF 239/850CA/W33轴承 SKF 238/850CAMA/W20轴承 SKF C31/850MB轴承 SKF 351573轴承 SKF 510/850M轴承 SKF BSR-8000轴承 SKF BSR-8001轴承 SKF BS2B243124轴承 SKF 331069轴承
轴承型号查询- 关于我们- 联系我们- 帮助中心- 专用轴承- 网站导航- 轴承索引
客服热线:010-80849863 客服QQ:168681653
地址:北京市丰台区马家堡西路36号 京ICP备17062353号-1