
型号:249/800CAK30/W33
订购电话:15811153859
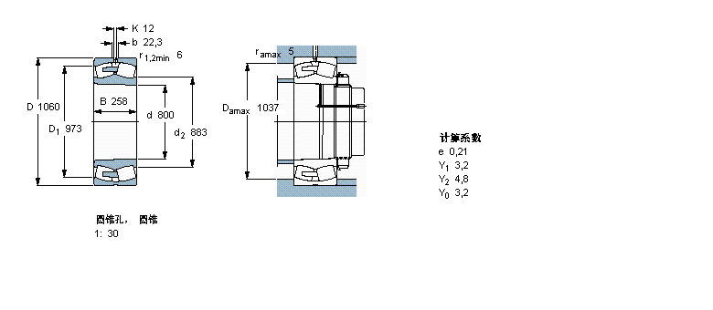
| 球面滚子轴承, 圆柱和圆锥孔, 圆锥型内孔, 无密封件 | ||||||||||
| 公差 , 参见文字 | ||||||||||
| 径向内部间隙, 圆柱型内孔 , 圆锥型内孔, 无密封件 , 参见文字 | ||||||||||
| 推荐配合 | ||||||||||
| 轴和轴承座公差 | ||||||||||
| | ||||||||||
| 主要数据尺寸 | 基本负荷额定值 | 疲劳负荷限值 | 额定速度 | 体积 | 型号 | |||||
| 动态 | 静态 | 参照速度 | 限制速度 | |||||||
| d | D | B | C | C0 | Pu | * - SKF Explorer 轴承 | ||||
| | ||||||||||
| mm | kN | kN | r/min | kg | - | |||||
| | ||||||||||
| 800 | 1060 | 258 | 8000 | 19300 | 1060 | 260 | 430 | 630 | 249/800 CAK30/W33 * | |
SKF 812/800M轴承 SKF 891/800M轴承 SKF 511/800F轴承 SKF 591/800M轴承 SKF 510/800F轴承 SKF C31/850KMB+OH31/850HE轴承 SKF C30/850KMB+OH30/850HE轴承 SKF C39/850KM+OH39/850HE轴承 SKF 231/850CAK/W33+OH31/850H轴承 SKF 230/850CAK/W33+OH30/850H轴承 SKF 239/850CAK/W33+OH39/850H轴承 SKF 241/800ECA/W33轴承 SKF 231/800CAK/W33轴承 SKF 231/800CA/W33轴承 SKF 240/800ECAK30/W33轴承 SKF 240/800ECA/W33轴承 SKF 230/800CAK/W33轴承 SKF 230/800CA/W33轴承 SKF 249/800CAK30/W33轴承 SKF 249/800CA/W33轴承 SKF 239/800CAK/W33轴承 SKF 239/800CA/W33轴承 SKF 248/800CAMA/W20轴承 SKF BT4-8114E/C700轴承 SKF BT4-8114E/C700轴承 SKF BT4-8114E/C700轴承 SKF BT4-8114E/C700轴承 SKF BT4-8114E/C700轴承 SKF 634055轴承 SKF BC4-8015/HB1轴承 SKF 634055轴承 SKF BC4-8015/HB1轴承 SKF 634055轴承 SKF BC4-8015/HB1轴承 SKF 634055轴承 SKF BC4-8015/HB1轴承 SKF 294/800EF轴承 SKF 293/800轴承 SKF 292/800EM轴承 SKF 811/800M轴承 SKF 321586轴承 SKF BS2B243262轴承 SKF 241/800ECAK30/W33轴承
轴承型号查询- 关于我们- 联系我们- 帮助中心- 专用轴承- 网站导航- 轴承索引
客服热线:010-80849863 客服QQ:168681653
地址:北京市丰台区马家堡西路36号 京ICP备17062353号-1