
型号:240/750ECAK30/W33
订购电话:15811153859
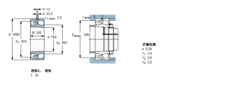
| 球面滚子轴承, 圆柱和圆锥孔, 圆锥型内孔, 无密封件 | ||||||||||
| 公差 , 参见文字 | ||||||||||
| 径向内部间隙, 圆柱型内孔 , 圆锥型内孔, 无密封件 , 参见文字 | ||||||||||
| 推荐配合 | ||||||||||
| 轴和轴承座公差 | ||||||||||
| | ||||||||||
| 主要数据尺寸 | 基本负荷额定值 | 疲劳负荷限值 | 额定速度 | 体积 | 型号 | |||||
| 动态 | 静态 | 参照速度 | 限制速度 | |||||||
| d | D | B | C | C0 | Pu | * - SKF Explorer 轴承 | ||||
| | ||||||||||
| mm | kN | kN | r/min | kg | - | |||||
| | ||||||||||
| 750 | 1090 | 335 | 11800 | 25000 | 1460 | 260 | 430 | 1050 | 240/750 ECAK30/W33 * | |
SKF Tr750x7轴承 SKF HM31/750轴承 SKF HM30/750轴承 SKF 294/750EF轴承 SKF 293/750轴承 SKF 292/750EM轴承 SKF 812/750M轴承 SKF 811/750M轴承 SKF 891/750M轴承 SKF 511/750M轴承 SKF 591/750F轴承 SKF 510/750F轴承 SKF C30/800KMB+AOH30/800轴承 SKF C31/800KMB+OH31/800HE轴承 SKF C30/800KMB+OH30/800HE轴承 SKF C39/800KM+OH39/800HE轴承 SKF C39/750M轴承 SKF C39/750KM轴承 SKF BS2B243127轴承 SKF BS2B243125轴承 SKF 231/800CAK/W33+OH31/800H轴承 SKF 230/800CAK/W33+OH30/800H轴承 SKF 239/800CAK/W33+OH39/800H轴承 SKF 232/750CAKF/W33轴承 SKF 232/750CAF/W33轴承 SKF 241/750ECAK30/W33轴承 SKF 241/750ECA/W33轴承 SKF 231/750CAK/W33轴承 SKF 231/750CA/W33轴承 SKF 240/750ECAK30/W33轴承 SKF 240/750ECA/W33轴承 SKF 230/750CAK/W33轴承 SKF 230/750CA/W33轴承 SKF 249/750CAK30/W33轴承 SKF 249/750CA/W33轴承 SKF 239/750CAK/W33轴承 SKF 239/750CA/W33轴承 SKF 238/750CAMA/W20轴承 SKF 238/750CAKMA/W20轴承 SKF BT4-8048E/C725轴承 SKF C31/800KMB+AOH31/800轴承 SKF C31/750MB轴承
轴承型号查询- 关于我们- 联系我们- 帮助中心- 专用轴承- 网站导航- 轴承索引
客服热线:010-80849863 客服QQ:168681653
地址:北京市丰台区马家堡西路36号 京ICP备17062353号-1