
型号:241/630ECA/W33
订购电话:15811153859
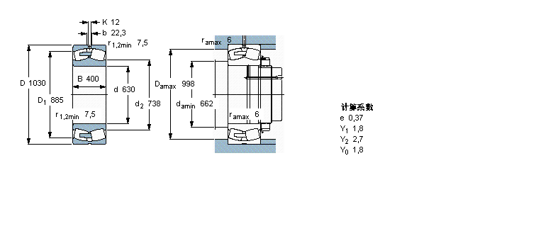
| 球面滚子轴承, 圆柱和圆锥孔, 圆柱型内孔, 无密封件 | ||||||||||
| 公差 , 参见文字 | ||||||||||
| 径向内部间隙, 圆柱型内孔 , 圆锥型内孔, 无密封件 , 参见文字 | ||||||||||
| 推荐配合 | ||||||||||
| 轴和轴承座公差 | ||||||||||
| | ||||||||||
| 主要数据尺寸 | 基本负荷额定值 | 疲劳负荷限值 | 额定速度 | 体积 | 型号 | |||||
| 动态 | 静态 | 参照速度 | 限制速度 | |||||||
| d | D | B | C | C0 | Pu | |||||
| | ||||||||||
| mm | kN | kN | r/min | kg | - | |||||
| | ||||||||||
| 630 | 1030 | 400 | 12700 | 27000 | 1630 | 190 | 280 | 1400 | 241/630 ECA/W33 | |
SKF HM30/630轴承 SKF 294/630EM轴承 SKF 293/630EM轴承 SKF 812/630M轴承 SKF 811/630M轴承 SKF 891/630M轴承 SKF 511/630F轴承 SKF 591/630F轴承 SKF 510/630F轴承 SKF C31/670KMB+AOHX31/670轴承 SKF C30/670KM+AOH30/670轴承 SKF C31/670KMB+OH31/670HE轴承 SKF C30/670KM+OH30/670H轴承 SKF C39/670KMB+OH39/670HE轴承 SKF C39/670KM+OH39/670H轴承 SKF C31/630MB轴承 SKF C31/630KMB轴承 SKF C30/630M轴承 SKF C30/630KM/HA3C4轴承 SKF C30/630KM轴承 SKF C39/630M轴承 SKF C39/630KM轴承 SKF BS2B242989轴承 SKF 232/670CAK/W33+OH32/670H轴承 SKF 231/670CAK/W33+OH31/670H轴承 SKF 230/670CAK/W33+OH30/670H轴承 SKF 239/670CAK/W33+OH39/670H轴承 SKF 241/630ECAK30/W33轴承 SKF 241/630ECA/W33轴承 SKF 231/630CAK/W33轴承 SKF 231/630CA/W33轴承 SKF 240/630ECK30J/W33轴承 SKF 240/630ECJ/W33轴承 SKF 230/630CAK/W33轴承 SKF 230/630CA/W33轴承 SKF 239/630CAK/W33轴承 SKF 239/630CA/W33轴承 SKF 238/630CAMA/W20轴承 SKF 238/630CAKMA/W20轴承 SKF BT4-8122G/HA1轴承 SKF BCSB316283A轴承 SKF BC2-8012/HB1VJ202轴承 SKF NNU41/630M/W33轴承 SKF NNU41/630K30M/W33轴承 SKF BT4-8031E/C800轴承 SKF BT4-8031E/C800轴承 SKF BT4-8031E/C800轴承 SKF BT4-8031E/C800轴承 SKF BT4-8031E/C800轴承
轴承型号查询- 关于我们- 联系我们- 帮助中心- 专用轴承- 网站导航- 轴承索引
客服热线:010-80849863 客服QQ:168681653
地址:北京市丰台区马家堡西路36号 京ICP备17062353号-1