
型号:BGSB358363
订购电话:15811153859
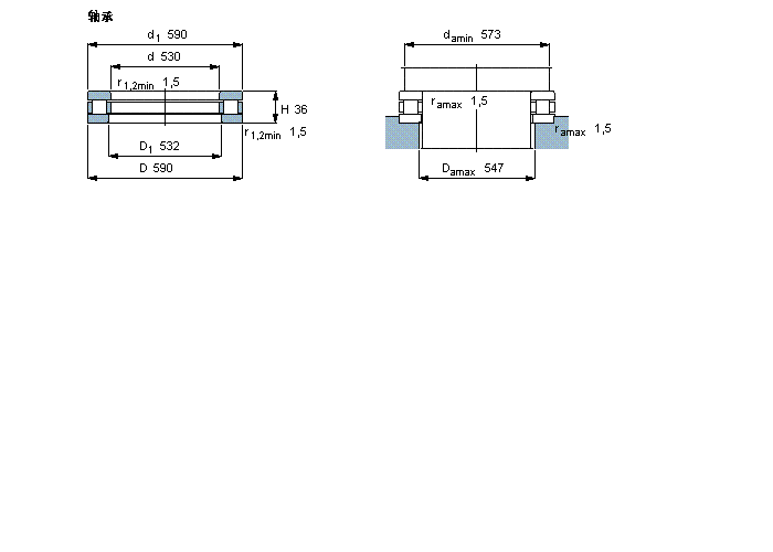
| 圆柱滚子推力轴承, 轴承 / 圆柱滚子和保持架止推组件 | ||||||||||||
| 公差 , 参见文字 | ||||||||||||
| 推荐配合 | ||||||||||||
| 轴和轴承座公差 | ||||||||||||
| | ||||||||||||
| 主要数据尺寸 | 基本负荷额定值 | 疲劳负荷限值 | 最小负荷系数 | 额定速度 | 体积 | 型号 | ||||||
| 动态 | 静态 | 参照速度 | 限制速度 | 轴承 | 圆柱滚子和保持架止推组件 | |||||||
| d | D | H | C | C0 | Pu | A | ||||||
| | ||||||||||||
| mm | kN | kN | - | r/min | kg | - | ||||||
| | ||||||||||||
| 530 | 590 | 36 | 380 | 2850 | 180 | 0,65 | 380 | 750 | 13,0 | BGSB 358363 | - | |
SKF 358060轴承 SKF 811/530M轴承 SKF 891/530M轴承 SKF BGSB358363轴承 SKF 511/530F轴承 SKF 591/530F轴承 SKF 351794轴承 SKF 510/530F轴承 SKF C31/560KMB+AOH31/560轴承 SKF C30/560KM+AOHX30/560轴承 SKF C31/560KMB+OH31/560HE轴承 SKF C30/560KM+OH30/560H轴承 SKF C39/560KM+OH39/560HE轴承 SKF C31/530M轴承 SKF C31/530KM/HA3C4轴承 SKF C31/530KM轴承 SKF C30/530M轴承 SKF GEP530FS轴承 SKF GEC530TXA-2RS轴承 SKF GEC530FBAS轴承 SKF HM31/530轴承 SKF HM30/530轴承 SKF 294/530EM轴承 SKF 293/530轴承 SKF 292/530EM轴承 SKF 812/530M轴承 SKF 358060轴承 SKF 811/530M轴承 SKF 891/530M轴承 SKF BGSB358363轴承 SKF 511/530F轴承 SKF 591/530F轴承 SKF 351794轴承 SKF 510/530F轴承 SKF C31/560KMB+AOH31/560轴承 SKF C30/560KM+AOHX30/560轴承 SKF C31/560KMB+OH31/560HE轴承 SKF C30/560KM+OH30/560H轴承 SKF C39/560KM+OH39/560HE轴承 SKF C31/530M轴承 SKF C31/530KM/HA3C4轴承 SKF C31/530KM轴承 SKF C30/530M轴承 SKF C30/530KM/HA3C4轴承 SKF C30/530KM轴承 SKF C39/530M轴承 SKF C39/530KM轴承 SKF 232/560CAK/W33+OH32/560H轴承 SKF 231/560CAK/W33+OH31/560H轴承 SKF 230/560CAK/W33+OH30/560H轴承 SKF 239/560CAK/W33+OH39/560H轴承 SKF 232/530CAK/W33轴承 SKF 232/530CA/W33轴承 SKF 241/530ECAK30/W33轴承 SKF 241/530ECA/W33轴承 SKF 231/530CAK/W33轴承 SKF 231/530CA/W33轴承 SKF 240/530ECAK30/W33轴承 SKF 240/530ECA/W33轴承
轴承型号查询- 关于我们- 联系我们- 帮助中心- 专用轴承- 网站导航- 轴承索引
客服热线:010-80849863 客服QQ:168681653
地址:北京市丰台区马家堡西路36号 京ICP备17062353号-1