
型号:231/500CA/W33
订购电话:15811153859
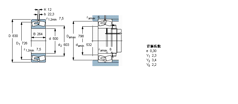
| 球面滚子轴承, 圆柱和圆锥孔, 圆柱型内孔, 无密封件 | ||||||||||
| 公差 , 参见文字 | ||||||||||
| 径向内部间隙, 圆柱型内孔 , 圆锥型内孔, 无密封件 , 参见文字 | ||||||||||
| 推荐配合 | ||||||||||
| 轴和轴承座公差 | ||||||||||
| | ||||||||||
| 主要数据尺寸 | 基本负荷额定值 | 疲劳负荷限值 | 额定速度 | 体积 | 型号 | |||||
| 动态 | 静态 | 参照速度 | 限制速度 | |||||||
| d | D | B | C | C0 | Pu | * - SKF Explorer 轴承 | ||||
| | ||||||||||
| mm | kN | kN | r/min | kg | - | |||||
| | ||||||||||
| 500 | 830 | 264 | 7650 | 12900 | 830 | 380 | 700 | 580 | 231/500 CA/W33 * | |
SKF 812/500M轴承 SKF 811/500M轴承 SKF 891/500M轴承 SKF 512/500F轴承 SKF 511/500F轴承 SKF 591/500F轴承 SKF 510/500F轴承 SKF C31/530KM+AOH31/530轴承 SKF C30/530KM+AOH30/530轴承 SKF C31/530KM+OH31/530H轴承 SKF C30/530KM+OH30/530H轴承 SKF C39/530KM+OH39/530HE轴承 SKF C41/500MB轴承 SKF C41/500K30MB轴承 SKF C31/500M轴承 SKF C31/500KM/HA3C4轴承 SKF C31/500KM轴承 SKF C30/500M轴承 SKF C30/500KM/HA3C4轴承 SKF C30/500KM轴承 SKF 232/530CAK/W33+OH32/530H轴承 SKF 231/530CAK/W33+OH31/530H轴承 SKF 230/530CAK/W33+OH30/530H轴承 SKF 239/530CAK/W33+OH39/530H轴承 SKF 232/500CAK/W33轴承 SKF 232/500CA/W33轴承 SKF 241/500ECAK30/W33轴承 SKF 241/500ECA/W33轴承 SKF 231/500CAK/W33轴承 SKF 231/500CA/W33轴承 SKF 240/500ECAK30/W33轴承 SKF 240/500ECA/W33轴承 SKF 230/500CAK/W33轴承 SKF 230/500CA/W33轴承 SKF 239/500CAK/W33轴承 SKF 239/500CA/W33轴承 SKF 331676A轴承 SKF BCRB326394/HA1轴承 SKF 316353DD轴承 SKF 316353DC轴承 SKF 316353DB轴承 SKF 316353DA轴承 SKF BC4B326853/HB1轴承 SKF 314441B轴承 SKF BC4B322066轴承 SKF 316968A轴承 SKF BC4B316515轴承 SKF BC4-8052/HA轴承 SKF BC4-8011/HA4轴承 SKF BC4-8051/HA轴承 SKF BC4B322039/HA1轴承 SKF BC4-8010/HA4轴承 SKF 316083A轴承 SKF 319254/VJ202轴承 SKF NNU41/500M/W33轴承 SKF NNU41/500K30M/W33轴承 SKF BC2-8008/HB1轴承
轴承型号查询- 关于我们- 联系我们- 帮助中心- 专用轴承- 网站导航- 轴承索引
客服热线:010-80849863 客服QQ:168681653
地址:北京市丰台区马家堡西路36号 京ICP备17062353号-1