
型号:23296CAK/W33
订购电话:15811153859
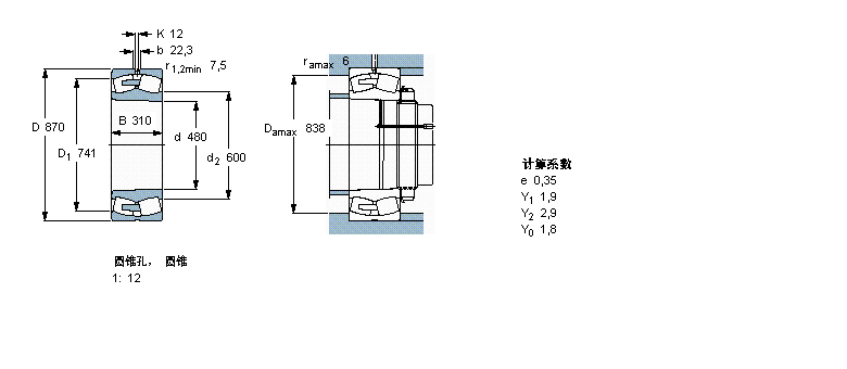
| 球面滚子轴承, 圆柱和圆锥孔, 圆锥型内孔, 无密封件 | ||||||||||
| 公差 , 参见文字 | ||||||||||
| 径向内部间隙, 圆柱型内孔 , 圆锥型内孔, 无密封件 , 参见文字 | ||||||||||
| 推荐配合 | ||||||||||
| 轴和轴承座公差 | ||||||||||
| | ||||||||||
| 主要数据尺寸 | 基本负荷额定值 | 疲劳负荷限值 | 额定速度 | 体积 | 型号 | |||||
| 动态 | 静态 | 参照速度 | 限制速度 | |||||||
| d | D | B | C | C0 | Pu | * - SKF Explorer 轴承 | ||||
| | ||||||||||
| mm | kN | kN | r/min | kg | - | |||||
| | ||||||||||
| 480 | 870 | 310 | 9300 | 15000 | 950 | 380 | 530 | 775 | 23296 CAK/W33 * | |
SKF GEC480FBAS轴承 SKF HM3196轴承 SKF HM3096轴承 SKF 29496EM轴承 SKF 350998轴承 SKF 81296M轴承 SKF 89196M轴承 SKF GEP480FS轴承 SKF GEC480TXA-2RS轴承 SKF GEC480FBAS轴承 SKF HM3196轴承 SKF HM3096轴承 SKF 29496EM轴承 SKF 350998轴承 SKF 81296M轴承 SKF 89196M轴承 SKF 51296F轴承 SKF 51196F轴承 SKF 59196F轴承 SKF 51096F轴承 SKF C41/500K30MB+AOH241/500轴承 SKF C31/500KM+AOHX31/500G轴承 SKF C30/500KM+AOHX30/500G轴承 SKF 23296CAK/W33轴承 SKF 23296CA/W33轴承 SKF 24196ECAK30/W33轴承 SKF 24196ECA/W33轴承 SKF 23196CAK/W33轴承 SKF 23196CA/W33轴承 SKF 24096ECAK30/W33轴承 SKF 24096ECA/W33轴承 SKF 23096CAK/W33轴承 SKF 23096CA/W33轴承 SKF 23996CAK/W33轴承 SKF 23996CA/W33轴承 SKF BT2B334100/HA3轴承 SKF 332263轴承 SKF 316624轴承 SKF 313516D轴承 SKF 319320轴承 SKF 316690B轴承 SKF NNU4196M/W33轴承 SKF NNU4196K30M/W33轴承 SKF 316189轴承 SKF NNU4096M/W33轴承 SKF 29396轴承
轴承型号查询- 关于我们- 联系我们- 帮助中心- 专用轴承- 网站导航- 轴承索引
客服热线:010-80849863 客服QQ:168681653
地址:北京市丰台区马家堡西路36号 京ICP备17062353号-1