
型号:24092ECAK30/W33
订购电话:15811153859
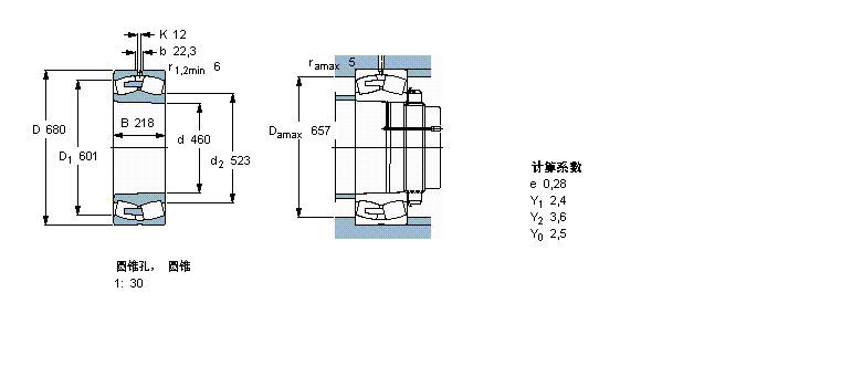
| 球面滚子轴承, 圆柱和圆锥孔, 圆锥型内孔, 无密封件 | ||||||||||
| 公差 , 参见文字 | ||||||||||
| 径向内部间隙, 圆柱型内孔 , 圆锥型内孔, 无密封件 , 参见文字 | ||||||||||
| 推荐配合 | ||||||||||
| 轴和轴承座公差 | ||||||||||
| | ||||||||||
| 主要数据尺寸 | 基本负荷额定值 | 疲劳负荷限值 | 额定速度 | 体积 | 型号 | |||||
| 动态 | 静态 | 参照速度 | 限制速度 | |||||||
| d | D | B | C | C0 | Pu | * - SKF Explorer 轴承 | ||||
| | ||||||||||
| mm | kN | kN | r/min | kg | - | |||||
| | ||||||||||
| 460 | 680 | 218 | 5200 | 10000 | 670 | 480 | 800 | 270 | 24092 ECAK30/W33 * | |
SKF GEC460FBAS轴承 SKF NN3092K/SPW33轴承 SKF HM3192轴承 SKF HM3092轴承 SKF 29492EM轴承 SKF 81292M轴承 SKF 81192M轴承 SKF 89192M轴承 SKF 51292F轴承 SKF 51192F轴承 SKF 59192F轴承 SKF 51092F轴承 SKF C3196KMB+AOHX3196G轴承 SKF C3096KM+AOHX3096G轴承 SKF C3192KM轴承 SKF C3092M轴承 SKF C3092KM/HA3C4轴承 SKF C3092KM轴承 SKF C3992MB轴承 SKF C3992KMB轴承 SKF BS2B243120轴承 SKF 23292CAK/W33轴承 SKF 23292CA/W33轴承 SKF 24192ECAK30/W33轴承 SKF 24192ECA/W33轴承 SKF 23192CAK/W33轴承 SKF 23192CA/W33轴承 SKF 24092ECAK30/W33轴承 SKF 24092ECA/W33轴承 SKF 23092CAK/W33轴承 SKF 23092CA/W33轴承 SKF 23992CAK/W33轴承 SKF 23992CA/W33轴承 SKF 24892CAMA/W20轴承 SKF 24892CAK30MA/W20轴承 SKF BT4B332502/HA1轴承 SKF BT4B328285轴承 SKF BT4B331977E/C725轴承 SKF BT4B328727G/HA1VA901轴承 SKF BT4-8111E2/C725轴承 SKF BT2B334030/HA1轴承 SKF BT2B328876/HA1轴承 SKF 332304A轴承 SKF NNU4992BK/SPW33轴承 SKF NNU4992B/SPW33轴承 SKF BCRB322778轴承 SKF NNU6092M轴承 SKF BC4B322374轴承 SKF 319155轴承 SKF 314560轴承 SKF BC4B322993A/HA7轴承 SKF 315196A轴承 SKF 313031A轴承 SKF BC2-8004/HA1轴承 SKF NNU4192M轴承 SKF NNU4192K30M轴承 SKF 29392轴承 SKF 29292轴承
轴承型号查询- 关于我们- 联系我们- 帮助中心- 专用轴承- 网站导航- 轴承索引
客服热线:010-80849863 客服QQ:168681653
地址:北京市丰台区马家堡西路36号 京ICP备17062353号-1