
型号:NNC4980CV
订购电话:15811153859
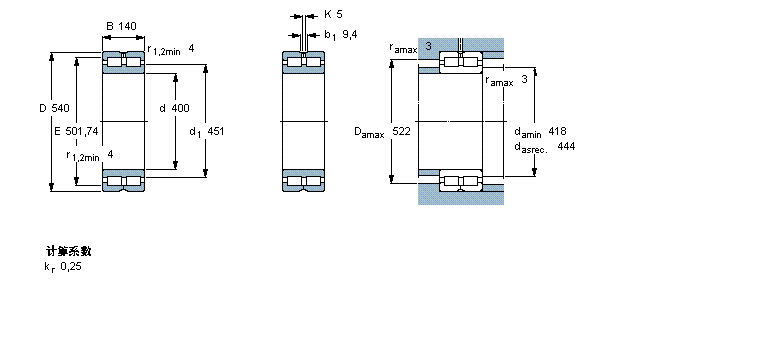
| 圆柱滚子轴承, 双列满装滚子, 无密封件, 双方向轴向负荷的挡边 | ||||||||||
| 公差 , 参见文字 | ||||||||||
| 径向内部游隙 , 参见文字 | ||||||||||
| 推荐配合 | ||||||||||
| 轴和轴承座公差 | ||||||||||
| | ||||||||||
| 主要数据尺寸 | 基本负荷额定值 | 疲劳负荷限值 | 额定速度 | 体积 | 型号 | |||||
| 动态 | 静态 | 参照速度 | 限制速度 | |||||||
| d | D | B | C | C0 | Pu | |||||
| | ||||||||||
| mm | kN | kN | r/min | kg | - | |||||
| | ||||||||||
| 400 | 540 | 140 | 2420 | 6000 | 520 | 480 | 600 | 95,5 | NNC 4980 CV | |
SKF C3080KM轴承 SKF C3980M轴承 SKF C3980KM轴承 SKF BS2B243256轴承 SKF 22380CAK/W33轴承 SKF 22380CA/W33轴承 SKF 24180ECAK30/W33轴承 SKF 24180ECA/W33轴承 SKF 23180CAK/W33轴承 SKF 23180CA/W33轴承 SKF 24080ECCK30J/W33轴承 SKF 24080ECCJ/W33轴承 SKF 23080CCK/W33轴承 SKF 23080CC/W33轴承 SKF 23980CCK/W33轴承 SKF 23980CC/W33轴承 SKF 332297轴承 SKF BT2B332167C/HA3轴承 SKF 332167轴承 SKF NN3080K/SPW33轴承 SKF NNU4980BK/SPW33轴承 SKF NNU4980B/SPW33轴承 SKF BCRB322853轴承 SKF BCS-8000轴承 SKF NNCF5080CV轴承 SKF NNCL4980CV轴承 SKF NNCF4980CV轴承 SKF NNC4980CV轴承 SKF NNCL4880CV轴承 SKF NNCF4880CV轴承 SKF NNC4880CV轴承 SKF 23284CAK/W33+OH3284H轴承 SKF 23184CKJ/W33+OH3184H轴承 SKF 23084CAK/W33+OH3084H轴承 SKF 23984CCK/W33+OH3984H轴承 SKF 315802/VJ202轴承 SKF 313015DC轴承 SKF BC4-8059轴承 SKF NNU4180M/W33轴承 SKF NNU4180K30M/W33轴承 SKF BC2B326880/HB1轴承 SKF BC2B326363/HA4轴承 SKF NNU4080KF/W33轴承 SKF NNU4080F/W33轴承 SKF 315802轴承 SKF 314987C轴承 SKF BT4B332824/HA1轴承 SKF BT4B332824E/C475轴承 SKF BT4B332824/HA1轴承 SKF 23280CAK/W33轴承 SKF 23280CA/W33轴承
轴承型号查询- 关于我们- 联系我们- 帮助中心- 专用轴承- 网站导航- 轴承索引
客服热线:010-80849863 客服QQ:168681653
地址:北京市丰台区马家堡西路36号 京ICP备17062353号-1