
型号:NNCL4876CV
订购电话:15811153859
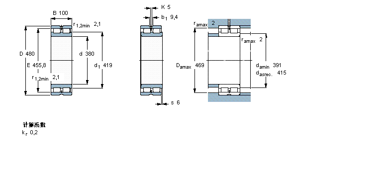
| 圆柱滚子轴承, 双列满装滚子, 无密封件, 没有载荷支承能力 | ||||||||||
| 公差 , 参见文字 | ||||||||||
| 径向内部游隙 , 参见文字 | ||||||||||
| 推荐配合 | ||||||||||
| 轴和轴承座公差 | ||||||||||
| | ||||||||||
| 主要数据尺寸 | 基本负荷额定值 | 疲劳负荷限值 | 额定速度 | 体积 | 型号 | |||||
| 动态 | 静态 | 参照速度 | 限制速度 | |||||||
| d | D | B | C | C0 | Pu | |||||
| | ||||||||||
| mm | kN | kN | r/min | kg | - | |||||
| | ||||||||||
| 380 | 480 | 100 | 1400 | 3650 | 315 | 530 | 670 | 44,0 | NNCL 4876 CV | |
SKF 24076CCK30/W33轴承 SKF 24076CC/W33轴承 SKF 23076CCK/W33轴承 SKF 23076CC/W33轴承 SKF 23976CCK/W33轴承 SKF 23976CC/W33轴承 SKF BT4B332889/HA1轴承 SKF BT4B328816/HA1轴承 SKF BT4-8033G/HA1轴承 SKF BT4B328294/HA1轴承 SKF BT2-8003/HA3轴承 SKF BT2-8009/HA3轴承 SKF BT2B332823/HA1轴承 SKF BT2B328020轴承 SKF NN3076K/SPW33轴承 SKF NNU4976BK/SPW33轴承 SKF NNU4976B/SPW33轴承 SKF IR380x415x100轴承 SKF NNCF5076CV轴承 SKF BC2-8028轴承 SKF NNCL4976CV轴承 SKF 22380CAK/W33+OH3280H轴承 SKF 23180CAK/W33+OH3180H轴承 SKF 23080CCK/W33+OH3080H轴承 SKF 23980CCK/W33+OH3980H轴承 SKF NNCF4976CV轴承 SKF NNC4976CV轴承 SKF NNCL4876CV轴承 SKF NNCF4876CV轴承 SKF NNC4876CV轴承 SKF NCF2976CV轴承 SKF NCF1876V轴承 SKF NNU6076M轴承 SKF NNUD6076M轴承 SKF BC4B322264/HB1轴承 SKF BC4B322189轴承 SKF BC4B326366/HB1轴承 SKF BC4B320989/HA3轴承 SKF BC4B313511B轴承 SKF 315606轴承 SKF 313030A轴承 SKF BC2B326131/HB1VJ202轴承 SKF NNU4976B/DRW33轴承 SKF NNU4176M轴承 SKF NNU4176K30M轴承 SKF NNU4076M/W33轴承 SKF NNU4076KM/W33轴承 SKF BC2B320041轴承 SKF NA4876轴承 SKF 23280CAK/W33+OH3280H轴承
轴承型号查询- 关于我们- 联系我们- 帮助中心- 专用轴承- 网站导航- 轴承索引
客服热线:010-80849863 客服QQ:168681653
地址:北京市丰台区马家堡西路36号 京ICP备17062353号-1