
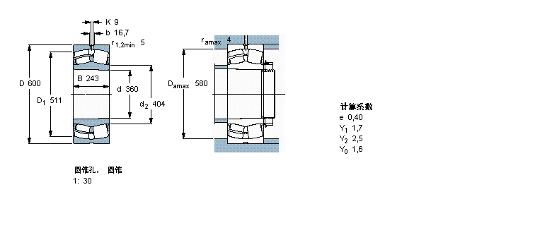
型号:24172ECCK30J/W33
订购电话:15811153859
| 球面滚子轴承, 圆柱和圆锥孔, 圆锥型内孔, 无密封件 | ||||||||||
| 公差 , 参见文字 | ||||||||||
| 径向内部间隙, 圆柱型内孔 , 圆锥型内孔, 无密封件 , 参见文字 | ||||||||||
| 推荐配合 | ||||||||||
| 轴和轴承座公差 | ||||||||||
| | ||||||||||
| 主要数据尺寸 | 基本负荷额定值 | 疲劳负荷限值 | 额定速度 | 体积 | 型号 | |||||
| 动态 | 静态 | 参照速度 | 限制速度 | |||||||
| d | D | B | C | C0 | Pu | * - SKF Explorer 轴承 | ||||
| | ||||||||||
| mm | kN | kN | r/min | kg | - | |||||
| | ||||||||||
| 360 | 600 | 243 | 5600 | 9300 | 670 | 400 | 600 | 275 | 24172 ECCK30J/W33 * | |
SKF 29472EM轴承 SKF 81272M轴承 SKF 81172M轴承 SKF 89172M轴承 SKF 51272F轴承 SKF 51172F轴承 SKF 59172F轴承 SKF 51072F轴承 SKF C3176KMB+AOH3176G轴承 SKF C3076KM+AOH3076G轴承 SKF C3176KMB+OH3176HE轴承 SKF C3076KM+OH3076H轴承 SKF C3976KMB+OH3976HE轴承 SKF C3976KM+OH3976H轴承 SKF C3172M轴承 SKF C3172KM/HA3C4轴承 SKF C3172KM轴承 SKF C3072M轴承 SKF C3072KM/HA3C4轴承 SKF C3072KM轴承 SKF C3972M轴承 SKF C3972KM轴承 SKF BS2B247307轴承 SKF 23272CAK/W33轴承 SKF 23272CA/W33轴承 SKF 22272CAK/W33轴承 SKF 22272CA/W33轴承 SKF 24172ECCK30J/W33轴承 SKF 24172ECCJ/W33轴承 SKF 23172CCK/W33轴承 SKF 23172CC/W33轴承 SKF 24072CCK30/W33轴承 SKF 24072CC/W33轴承 SKF 23072CCK/W33轴承 SKF 23072CC/W33轴承 SKF 23972CCK/W33轴承 SKF 23972CC/W33轴承 SKF BT4-8015G/HA1轴承 SKF BT4B328159/HA1轴承 SKF 332059轴承 SKF 331729轴承 SKF BT2-8002/HA3轴承 SKF BT2-8000/HA3轴承 SKF BT2B332831轴承 SKF NN3072K/SPW33轴承 SKF NNU4972BK/SPW33轴承 SKF NNU4972B/SPW33轴承 SKF IR360x390x80轴承 SKF BCRB326395/HA1轴承 SKF 23276CAK/W33+OH3276H轴承 SKF 23176CAK/W33+OH3176H轴承 SKF 23076CCK/W33+OH3076H轴承 SKF 23976CCK/W33+OH3976H轴承 SKF NNCF5072CV轴承 SKF NNCL4972CV轴承 SKF NA4872轴承
轴承型号查询- 关于我们- 联系我们- 帮助中心- 专用轴承- 网站导航- 轴承索引
客服热线:010-80849863 客服QQ:168681653
地址:北京市丰台区马家堡西路36号 京ICP备17062353号-1