
型号:NNC4972CV
订购电话:15811153859
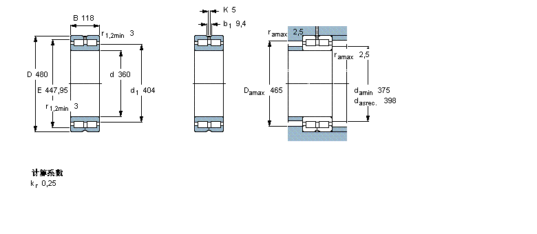
| 圆柱滚子轴承, 双列满装滚子, 无密封件, 双方向轴向负荷的挡边 | ||||||||||
| 公差 , 参见文字 | ||||||||||
| 径向内部游隙 , 参见文字 | ||||||||||
| 推荐配合 | ||||||||||
| 轴和轴承座公差 | ||||||||||
| | ||||||||||
| 主要数据尺寸 | 基本负荷额定值 | 疲劳负荷限值 | 额定速度 | 体积 | 型号 | |||||
| 动态 | 静态 | 参照速度 | 限制速度 | |||||||
| d | D | B | C | C0 | Pu | |||||
| | ||||||||||
| mm | kN | kN | r/min | kg | - | |||||
| | ||||||||||
| 360 | 480 | 118 | 1830 | 4500 | 405 | 530 | 670 | 62,1 | NNC 4972 CV | |
SKF 23172CCK/W33轴承 SKF 23172CC/W33轴承 SKF 24072CCK30/W33轴承 SKF 24072CC/W33轴承 SKF 23072CCK/W33轴承 SKF 23072CC/W33轴承 SKF 23972CCK/W33轴承 SKF 23972CC/W33轴承 SKF BT4-8015G/HA1轴承 SKF BT4B328159/HA1轴承 SKF 332059轴承 SKF 331729轴承 SKF BT2-8002/HA3轴承 SKF BT2-8000/HA3轴承 SKF BT2B332831轴承 SKF NN3072K/SPW33轴承 SKF NNU4972BK/SPW33轴承 SKF NNU4972B/SPW33轴承 SKF IR360x390x80轴承 SKF BCRB326395/HA1轴承 SKF 23276CAK/W33+OH3276H轴承 SKF 23176CAK/W33+OH3176H轴承 SKF 23076CCK/W33+OH3076H轴承 SKF 23976CCK/W33+OH3976H轴承 SKF NNCF5072CV轴承 SKF NNCL4972CV轴承 SKF NNCF4972CV轴承 SKF NNC4972CV轴承 SKF NNCL4872CV轴承 SKF NNCF4872CV轴承 SKF NNC4872CV轴承 SKF NCF3072CV轴承 SKF NCF2972CV轴承 SKF NCF1872V轴承 SKF NNU6072M轴承 SKF NNUD6072MA/P64轴承 SKF 316890B轴承 SKF BC2B322217/VJ202轴承 SKF BC2B320075/VJ202轴承 SKF NNU4172M轴承 SKF NNU4172K30M轴承 SKF NNU4072M/W33轴承 SKF NNU4072KM/W33轴承 SKF BT4-8020G/HA1VA901轴承 SKF 331508轴承 SKF BT4-8020G/HA1VA901轴承 SKF 331508轴承 SKF BT4-8020G/HA1VA901轴承 SKF 331508轴承 SKF NA4872轴承
轴承型号查询- 关于我们- 联系我们- 帮助中心- 专用轴承- 网站导航- 轴承索引
客服热线:010-80849863 客服QQ:168681653
地址:北京市丰台区马家堡西路36号 京ICP备17062353号-1