
型号:23060CCK/W33
订购电话:15811153859
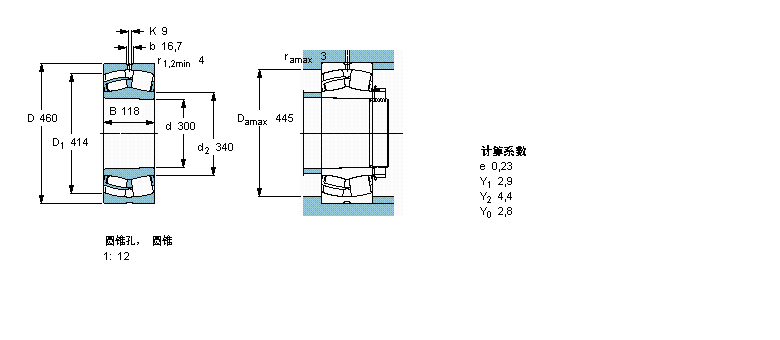
| 球面滚子轴承, 圆柱和圆锥孔, 圆锥型内孔, 无密封件 | ||||||||||
| 公差 , 参见文字 | ||||||||||
| 径向内部间隙, 圆柱型内孔 , 圆锥型内孔, 无密封件 , 参见文字 | ||||||||||
| 推荐配合 | ||||||||||
| 轴和轴承座公差 | ||||||||||
| | ||||||||||
| 主要数据尺寸 | 基本负荷额定值 | 疲劳负荷限值 | 额定速度 | 体积 | 型号 | |||||
| 动态 | 静态 | 参照速度 | 限制速度 | |||||||
| d | D | B | C | C0 | Pu | * - SKF Explorer 轴承 | ||||
| | ||||||||||
| mm | kN | kN | r/min | kg | - | |||||
| | ||||||||||
| 300 | 460 | 118 | 2120 | 3450 | 265 | 1200 | 1500 | 69,5 | 23060 CCK/W33 * | |
SKF C3064KM+OH3064H轴承 SKF C4160MB轴承 SKF C4160K30MB轴承 SKF C3160K/HA3C4轴承 SKF C3160K轴承 SKF C3160轴承 SKF C4060M轴承 SKF C4060K30M轴承 SKF C3060M轴承 SKF C3060KM轴承 SKF BS2B247597轴承 SKF 23264CCK/W33+OH3264H轴承 SKF 22264CCK/W33+OH3164H轴承 SKF 23164CCK/W33+OH3164H轴承 SKF 23064CCK/W33+OH3064H轴承 SKF 23964CCK/W33+OH3964H轴承 SKF 23260CCK/W33轴承 SKF 23260CC/W33轴承 SKF 22260CCK/W33轴承 SKF 22260CC/W33轴承 SKF 24160CCK30/W33轴承 SKF 24160CC/W33轴承 SKF 23160-2CS5K/VT143轴承 SKF 23160-2CS5/VT143轴承 SKF 23160CCK/W33轴承 SKF 23160CC/W33轴承 SKF 24060-2CS5/VT143轴承 SKF 24060CCK30/W33轴承 SKF 24060CC/W33轴承 SKF 23060CCK/W33轴承 SKF 23060CC/W33轴承 SKF 23960CCK/W33轴承 SKF 23960CC/W33轴承 SKF BT4B332472轴承 SKF BT4B334126G/HA1VA901轴承 SKF BT4B328725G/HA1轴承 SKF 332168A轴承 SKF 332168轴承 SKF BT2B328383/HA1轴承 SKF 32960/DF轴承 SKF 32260J2/HA1轴承 SKF HH258248/210轴承 SKF 32060X轴承 SKF NN3060/SPW33轴承 SKF NN3060K/SPW33轴承 SKF NNU4960BK/SPW33轴承 SKF NNU4960B/SPW33轴承 SKF IR300x330x80轴承 SKF BCSB322810轴承 SKF 316733DD轴承 SKF 316733DC轴承 SKF 316733DB轴承 SKF 316733DA轴承 SKF 316733轴承 SKF NNCF5060CV轴承 SKF NNCL4960CV轴承 SKF NNCF4960CV轴承 SKF 32960轴承 SKF NA4860轴承
轴承型号查询- 关于我们- 联系我们- 帮助中心- 专用轴承- 网站导航- 轴承索引
客服热线:010-80849863 客服QQ:168681653
地址:北京市丰台区马家堡西路36号 京ICP备17062353号-1