
型号:23956CC/W33
订购电话:15811153859
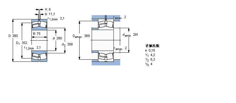
| 球面滚子轴承, 圆柱和圆锥孔, 圆柱型内孔, 无密封件 | ||||||||||
| 公差 , 参见文字 | ||||||||||
| 径向内部间隙, 圆柱型内孔 , 圆锥型内孔, 无密封件 , 参见文字 | ||||||||||
| 推荐配合 | ||||||||||
| 轴和轴承座公差 | ||||||||||
| | ||||||||||
| 主要数据尺寸 | 基本负荷额定值 | 疲劳负荷限值 | 额定速度 | 体积 | 型号 | |||||
| 动态 | 静态 | 参照速度 | 限制速度 | |||||||
| d | D | B | C | C0 | Pu | |||||
| | ||||||||||
| mm | kN | kN | r/min | kg | - | |||||
| | ||||||||||
| 280 | 380 | 75 | 845 | 1760 | 143 | 1400 | 1700 | 25,0 | 23956 CC/W33 | |
SKF C3156K/HA3C4轴承 SKF C3156K轴承 SKF C3156轴承 SKF C3056K/HA3C4轴承 SKF C3056K轴承 SKF C3056轴承 SKF BS2B247534轴承 SKF 23260CCK/W33+OH3260H轴承 SKF 22260CCK/W33+OH3160H轴承 SKF 23160CCK/W33+OH3160H轴承 SKF 23060CCK/W33+OH3060H轴承 SKF 23960CCK/W33+OH3960H轴承 SKF 22356CCK/W33轴承 SKF 22356CC/W33轴承 SKF 23256CCK/W33轴承 SKF 23256CC/W33轴承 SKF 22256CCK/W33轴承 SKF 22256CC/W33轴承 SKF 24156CCK30/W33轴承 SKF 24156CC/W33轴承 SKF 23156-2CS5K/VT143轴承 SKF 23156-2CS5/VT143轴承 SKF 23156CCK/W33轴承 SKF 23156CC/W33轴承 SKF 24056CCK30/W33轴承 SKF 24056CC/W33轴承 SKF 23056CCK/W33轴承 SKF 23056CC/W33轴承 SKF 23956CCK/W33轴承 SKF 23956CC/W33轴承 SKF BT4B332441G/HA1轴承 SKF 331717A轴承 SKF 331960B轴承 SKF 32056X/DF轴承 SKF 32256J2/HA1轴承 SKF 32056X轴承 SKF 32956/C02轴承 SKF IR280x305x69轴承 SKF NCF3056CV轴承 SKF NCF2956CV轴承 SKF NCF1856V轴承 SKF NNU6056M轴承 SKF NNUD6056MAS轴承 SKF 314897/VJ202轴承 SKF 314070/VJ202轴承 SKF 314719C轴承 SKF 315976B轴承 SKF NNU4156M/W33轴承 SKF NNU4156K30M/W33轴承 SKF NNU4056M/W33轴承 SKF NNU4056KM/W33轴承 SKF 314897轴承 SKF NNUP4956B/W33轴承 SKF NNU4856/W33轴承 SKF 313822轴承
轴承型号查询- 关于我们- 联系我们- 帮助中心- 专用轴承- 网站导航- 轴承索引
客服热线:010-80849863 客服QQ:168681653
地址:北京市丰台区马家堡西路36号 京ICP备17062353号-1