
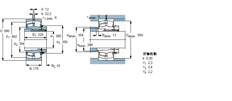
型号:22356CCK/W33+OH2356H
订购电话:15811153859
| 球面滚子轴承, 带紧定套的 | ||||||||||
| 公差 , 参见文字 | ||||||||||
| 径向内部游隙 , 参见文字 | ||||||||||
| 推荐配合 | ||||||||||
| 轴和轴承座公差 | ||||||||||
| | ||||||||||
| 主要数据尺寸 | 基本负荷额定值 | 疲劳负荷限值 | 额定速度 | 体积 | 型号 | |||||
| 动态 | 静态 | 参照速度 | 限制速度 | 轴承 + 紧定套 | ||||||
| d1 | D | B | C | C0 | Pu | |||||
| * - SKF Explorer 轴承 | ||||||||||
| | ||||||||||
| mm | kN | kN | r/min | kg | - | |||||
| | ||||||||||
| 260 | 580 | 175 | 4000 | 5200 | 365 | 800 | 1100 | 250 | 22356 CCK/W33 + OH 2356 H * | |
SKF MB52轴承 SKF HM3052轴承 SKF NNTR110x260x115.2ZL轴承 SKF 351153轴承 SKF 89452M轴承 SKF 81252M轴承 SKF 81152M轴承 SKF 51252M轴承 SKF 51152M轴承 SKF C3156K+AOH3156G轴承 SKF C3056K+AOH3056轴承 SKF C3156K+OH3156HTL轴承 SKF C3056K+OH3056H轴承 SKF C3152K/HA3C4轴承 SKF C3152K轴承 SKF C3152轴承 SKF C3052K/HA3C4轴承 SKF C3052K轴承 SKF C3052轴承 SKF 22356CCK/W33+OH2356H轴承 SKF 23256CCK/W33+OH2356H轴承 SKF 22256CCK/W33+OH3156H轴承 SKF 23156CCK/W33+OH3156H轴承 SKF 23056CCK/W33+OH3056H轴承 SKF 23956CCK/W33+OH3956H轴承 SKF 22352CCK/W33轴承 SKF 22352CC/W33轴承 SKF 23252CCK/W33轴承 SKF 23252CC/W33轴承 SKF 22252CCK/W33轴承 SKF 22252CC/W33轴承 SKF 24152CCK30/W33轴承 SKF 24152CC/W33轴承 SKF 23152-2CS5K/VT143轴承 SKF 23152-2CS5/VT143轴承 SKF 23152CCK/W33轴承 SKF 23152CC/W33轴承 SKF 24052CCK30/W33轴承 SKF 24052CC/W33轴承 SKF 23052-2CS5K/VT143轴承 SKF 23052-2CS5/VT143轴承 SKF 23052CCK/W33轴承 SKF 23052CC/W33轴承 SKF 23952CCK/W33轴承 SKF 23952CC/W33轴承 SKF BT4B328551/HA1轴承 SKF BT2B328130轴承 SKF 617479B轴承 SKF 32052T194X/DB轴承
轴承型号查询- 关于我们- 联系我们- 帮助中心- 专用轴承- 网站导航- 轴承索引
客服热线:010-80849863 客服QQ:168681653
地址:北京市丰台区马家堡西路36号 京ICP备17062353号-1