
型号:NNCL4944CV
订购电话:15811153859
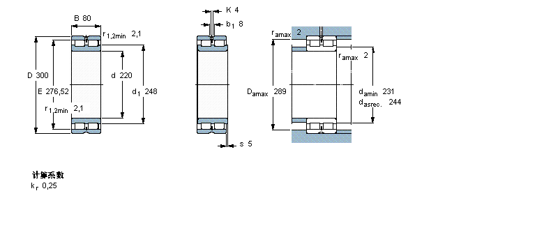
| 圆柱滚子轴承, 双列满装滚子, 无密封件, 没有载荷支承能力 | ||||||||||
| 公差 , 参见文字 | ||||||||||
| 径向内部游隙 , 参见文字 | ||||||||||
| 推荐配合 | ||||||||||
| 轴和轴承座公差 | ||||||||||
| | ||||||||||
| 主要数据尺寸 | 基本负荷额定值 | 疲劳负荷限值 | 额定速度 | 体积 | 型号 | |||||
| 动态 | 静态 | 参照速度 | 限制速度 | |||||||
| d | D | B | C | C0 | Pu | |||||
| | ||||||||||
| mm | kN | kN | r/min | kg | - | |||||
| | ||||||||||
| 220 | 300 | 80 | 737 | 1600 | 160 | 950 | 1200 | 16,8 | NNCL 4944 CV | |
SKF 24044CCK30/W33轴承 SKF 24044CC/W33轴承 SKF 23044-2CS5K/VT143轴承 SKF 23044-2CS5/VT143轴承 SKF 23044CCK/W33轴承 SKF 23044CC/W33轴承 SKF 23944-2CS/VT143轴承 SKF 23944CCK/W33轴承 SKF 23944CC/W33轴承 SKF 32044T168X/DB轴承 SKF 32044T165X/DBC340轴承 SKF 32044T165X/DB42C220轴承 SKF 32044T165X/DB11C170轴承 SKF 32044X/DF轴承 SKF 32944/DFC300轴承 SKF 32244J2轴承 SKF 30244J2轴承 SKF 32044X轴承 SKF T2DC220/VE141轴承 SKF IR220x240x50轴承 SKF K220x230x42轴承 SKF 316350DA轴承 SKF 314747轴承 SKF NNU6944V轴承 SKF NNF5044ADA-2LSV轴承 SKF NNCF5044CV轴承 SKF NNCL4944CV轴承 SKF NNCF4944CV轴承 SKF NNC4944CV轴承 SKF NNCL4844CV轴承 SKF NNCF4844CV轴承 SKF NNC4844CV轴承 SKF NJG2344VH轴承 SKF NCF2244V轴承 SKF NCF3044CV轴承 SKF NCF2944CV轴承 SKF NCF1844V轴承 SKF NNU6044M轴承 SKF NNU6944M轴承 SKF 314889/VJ202轴承 SKF 313894B轴承 SKF 313839轴承 SKF NNU4144M/W33轴承 SKF NNU4144K30M/W33轴承 SKF 314889轴承 SKF NU2344ECMP轴承 SKF NU2344ECMA轴承 SKF NU344M轴承 SKF NJ344M轴承 SKF NU2244ECMA轴承 SKF 32944轴承 SKF NA4844轴承 SKF RNA4840轴承 SKF 29444E轴承 SKF 29344E轴承 SKF 29244E轴承
轴承型号查询- 关于我们- 联系我们- 帮助中心- 专用轴承- 网站导航- 轴承索引
客服热线:010-80849863 客服QQ:168681653
地址:北京市丰台区马家堡西路36号 京ICP备17062353号-1