
型号:22240CC/W33
订购电话:15811153859
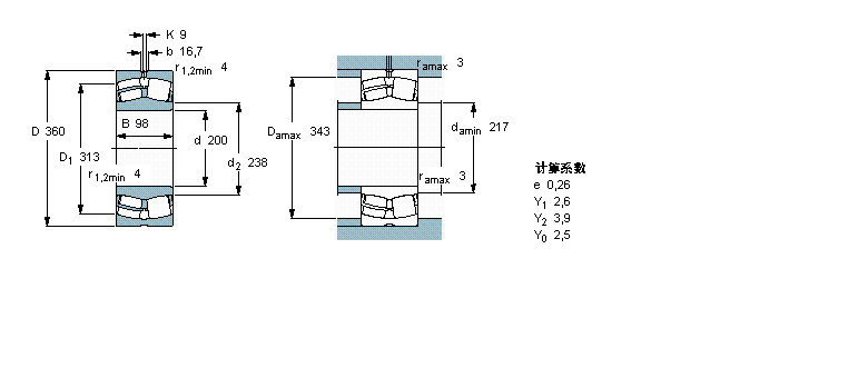
| 球面滚子轴承, 圆柱和圆锥孔, 圆柱型内孔, 无密封件 | ||||||||||
| 公差 , 参见文字 | ||||||||||
| 径向内部间隙, 圆柱型内孔 , 圆锥型内孔, 无密封件 , 参见文字 | ||||||||||
| 推荐配合 | ||||||||||
| 轴和轴承座公差 | ||||||||||
| | ||||||||||
| 主要数据尺寸 | 基本负荷额定值 | 疲劳负荷限值 | 额定速度 | 体积 | 型号 | |||||
| 动态 | 静态 | 参照速度 | 限制速度 | |||||||
| d | D | B | C | C0 | Pu | * - SKF Explorer 轴承 | ||||
| | ||||||||||
| mm | kN | kN | r/min | kg | - | |||||
| | ||||||||||
| 200 | 360 | 98 | 1460 | 1930 | 166 | 1600 | 2200 | 43,5 | 22240 CC/W33 * | |
SKF C4140V轴承 SKF C4140K30V轴承 SKF C3140K/HA3C4轴承 SKF C3140K轴承 SKF C3140轴承 SKF C4040V轴承 SKF C4040K30V轴承 SKF C3040K/HA3C4轴承 SKF C3040K轴承 SKF C3040轴承 SKF 22344CCK/W33+OH2344H轴承 SKF 23244CCK/W33+OH2344H轴承 SKF 22244CCK/W33+OH3144H轴承 SKF 23144CCK/W33+OH3144H轴承 SKF 23044CCK/W33+OH3044H轴承 SKF 23944CCK/W33+OH3944H轴承 SKF 22340CCKJA/W33VA405轴承 SKF 22340CCK/W33轴承 SKF 22340CCJA/W33VA406轴承 SKF 22340CCJA/W33VA405轴承 SKF 22340CC/W33轴承 SKF 23240-2CS5K/VT143轴承 SKF 23240-2CS5/VT143轴承 SKF 23240-2CS2/VT143轴承 SKF 23240CCK/W33轴承 SKF 23240CC/W33轴承 SKF 22240-2CS5K/VT143轴承 SKF 22240-2CS5/VT143轴承 SKF 22240CCK/W33轴承 SKF 22240CC/W33轴承 SKF 24140-2CS5/VT143轴承 SKF 24140CCK30/W33轴承 SKF 24140CC/W33轴承 SKF 23140-2CS5K/VT143轴承 SKF 23140-2CS5/VT143轴承 SKF 23140CCK/W33轴承 SKF 23140CC/W33轴承 SKF 24040CCK30/W33轴承 SKF 24040CC/W33轴承 SKF 23040-2CS5K/VT143轴承 SKF 23040-2CS5/VT143轴承 SKF 23040CCK/W33轴承 SKF 23040CC/W33轴承 SKF 23940CCK/W33轴承 SKF 23940CC/W33轴承 SKF 32040T154.5X/DB11C170轴承 SKF 32240J2/DF轴承 SKF 30240J2/DFC570轴承 SKF 32040X/DF轴承 SKF 32240J2轴承 SKF 30240J2轴承 SKF 32040X轴承 SKF IR200x220x50轴承 SKF NNU6040V/W33轴承 SKF NNF5040ADA-2LSV轴承 SKF NNCF5040CV轴承 SKF 32940轴承 SKF T4DB200轴承 SKF NA4840轴承
轴承型号查询- 关于我们- 联系我们- 帮助中心- 专用轴承- 网站导航- 轴承索引
客服热线:010-80849863 客服QQ:168681653
地址:北京市丰台区马家堡西路36号 京ICP备17062353号-1