
型号:NNCL4840CV
订购电话:15811153859
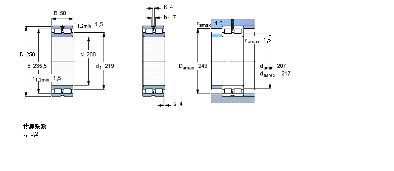
| 圆柱滚子轴承, 双列满装滚子, 无密封件, 没有载荷支承能力 | ||||||||||
| 公差 , 参见文字 | ||||||||||
| 径向内部游隙 , 参见文字 | ||||||||||
| 推荐配合 | ||||||||||
| 轴和轴承座公差 | ||||||||||
| | ||||||||||
| 主要数据尺寸 | 基本负荷额定值 | 疲劳负荷限值 | 额定速度 | 体积 | 型号 | |||||
| 动态 | 静态 | 参照速度 | 限制速度 | |||||||
| d | D | B | C | C0 | Pu | |||||
| | ||||||||||
| mm | kN | kN | r/min | kg | - | |||||
| | ||||||||||
| 200 | 250 | 50 | 336 | 800 | 80 | 1100 | 1400 | 5,70 | NNCL 4840 CV | |
SKF 23140-2CS5/VT143轴承 SKF 23140CCK/W33轴承 SKF 23140CC/W33轴承 SKF 24040CCK30/W33轴承 SKF 24040CC/W33轴承 SKF 23040-2CS5K/VT143轴承 SKF 23040-2CS5/VT143轴承 SKF 23040CCK/W33轴承 SKF 23040CC/W33轴承 SKF 23940CCK/W33轴承 SKF 23940CC/W33轴承 SKF 32040T154.5X/DB11C170轴承 SKF 32240J2/DF轴承 SKF 30240J2/DFC570轴承 SKF 32040X/DF轴承 SKF 32240J2轴承 SKF 30240J2轴承 SKF 32040X轴承 SKF IR200x220x50轴承 SKF NNU6040V/W33轴承 SKF NNF5040ADA-2LSV轴承 SKF NNCF5040CV轴承 SKF NNCL4940CV轴承 SKF NNCF4940CV轴承 SKF NNC4940CV轴承 SKF 319440DA-2LS轴承 SKF NNCL4840CV轴承 SKF NNCF4840CV轴承 SKF NNC4840CV轴承 SKF NJG2340VH轴承 SKF NCF3040CV轴承 SKF NCF2940CV轴承 SKF NCF1840V轴承 SKF NNU6040M轴承 SKF 313639A/VJ202轴承 SKF 313893轴承 SKF 314385轴承 SKF NNU4140M/W33轴承 SKF NNU4140K30M/W33轴承 SKF 313639轴承 SKF NNU4840/W33轴承 SKF NNU4840K/W33轴承 SKF NU2340ECMA轴承 SKF NJ2340ECMA轴承 SKF NU340ECMA轴承 SKF 32940轴承 SKF T4DB200轴承 SKF NA4840轴承 SKF 313811轴承 SKF 314553轴承 SKF 29440E轴承 SKF 29340E轴承 SKF 29240E轴承
轴承型号查询- 关于我们- 联系我们- 帮助中心- 专用轴承- 网站导航- 轴承索引
客服热线:010-80849863 客服QQ:168681653
地址:北京市丰台区马家堡西路36号 京ICP备17062353号-1