
型号:NU230ECJ
订购电话:15811153859
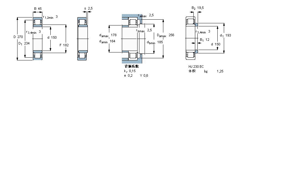
| 圆柱滚子轴承, 单列, NU 设计 | ||||||||||||
| 公差 , 参见文字 | ||||||||||||
| 径向内部间隙, 圆柱型内孔 , 圆锥型内孔, 无密封件 , 参见文字 | ||||||||||||
| 推荐配合 | ||||||||||||
| 轴和轴承座公差 | ||||||||||||
| | ||||||||||||
| 主要数据尺寸 | 基本负荷额定值 | 疲劳负荷限值 | 额定速度 | 体积 | 型号 | 适宜的斜挡圈 | ||||||
| 动态 | 静态 | 参照速度 | 限制速度 | 型号 | ||||||||
| d | D | B | C | C0 | Pu | * - SKF Explorer 轴承 | ||||||
| | ||||||||||||
| mm | kN | kN | r/min | kg | - | - | ||||||
| | ||||||||||||
| 150 | 270 | 45 | 510 | 600 | 64 | 2600 | 2800 | 10,3 | NU 230 ECJ * | HJ 230 EC | ||
SKF NNCL4930CV轴承 SKF NNCF4930CV轴承 SKF NNC4930CV轴承 SKF NNCL4830CV轴承 SKF NNCF4830CV轴承 SKF NNC4830CV轴承 SKF NJG2330VH轴承 SKF NCF2230V轴承 SKF NCF3030CV轴承 SKF NCF2930CV轴承 SKF NNU6030M轴承 SKF 313891A轴承 SKF NNU4130M/W33轴承 SKF NNU4130K30M/W33轴承 SKF C4030-2CS5V轴承 SKF NUP2330ECMA轴承 SKF NU2330ECMA轴承 SKF NJ2330ECMA轴承 SKF NU330ECMA轴承 SKF NU330ECM轴承 SKF NJ330ECMA轴承 SKF NJ330ECM轴承 SKF NU2230ECM轴承 SKF NJ2230ECM轴承 SKF NUP230ECML轴承 SKF NUP230ECM轴承 SKF NUP230ECJ轴承 SKF NU230ECML轴承 SKF NU230ECM轴承 SKF NU230ECJ轴承 SKF NJ230ECML轴承 SKF NJ230ECM轴承 SKF NJ230ECJ轴承 SKF NU1030ML轴承 SKF NU1030M轴承 SKF NJ1030ML轴承 SKF 13030轴承 SKF QJ330N2MA轴承 SKF QJ230N2MA轴承 SKF QJ1030N2MA轴承 SKF 2×7330BCBM轴承 SKF 2×7230BGAM轴承
轴承型号查询- 关于我们- 联系我们- 帮助中心- 专用轴承- 网站导航- 轴承索引
客服热线:010-80849863 客服QQ:168681653
地址:北京市丰台区马家堡西路36号 京ICP备17062353号-1