
型号:22326CC/W33
订购电话:15811153859
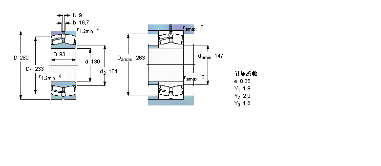
| 球面滚子轴承, 圆柱和圆锥孔, 圆柱型内孔, 无密封件 | ||||||||||
| 公差 , 参见文字 | ||||||||||
| 径向内部间隙, 圆柱型内孔 , 圆锥型内孔, 无密封件 , 参见文字 | ||||||||||
| 推荐配合 | ||||||||||
| 轴和轴承座公差 | ||||||||||
| | ||||||||||
| 主要数据尺寸 | 基本负荷额定值 | 疲劳负荷限值 | 额定速度 | 体积 | 型号 | |||||
| 动态 | 静态 | 参照速度 | 限制速度 | |||||||
| d | D | B | C | C0 | Pu | * - SKF Explorer 轴承 | ||||
| | ||||||||||
| mm | kN | kN | r/min | kg | - | |||||
| | ||||||||||
| 130 | 280 | 93 | 1120 | 1320 | 114 | 1800 | 2400 | 29,0 | 22326 CC/W33 * | |
SKF NNTR50x130x65.2ZL轴承 SKF AXK130170轴承 SKF 89426M轴承 SKF 89326M轴承 SKF 81226TN轴承 SKF 81126TN轴承 SKF 52230M轴承 SKF 51426M轴承 SKF 51326M轴承 SKF 51226轴承 SKF 51126轴承 SKF C2326/VE240轴承 SKF C2326K/VE240轴承 SKF C2226K轴承 SKF C2226轴承 SKF C4126V/VE240轴承 SKF C4126K30V/VE240轴承 SKF C4026V轴承 SKF C4026K30V轴承 SKF C4026K30轴承 SKF C4026轴承 SKF C3026K轴承 SKF C3026轴承 SKF 22326-2CS5K/VT143轴承 SKF 22326-2CS5/VT143轴承 SKF 22326CCKJA/W33VA405轴承 SKF 22326CCK/W33轴承 SKF 22326CCJA/W33VA406轴承 SKF 22326CCJA/W33VA405轴承 SKF 22326CC/W33轴承 SKF BS2-2226-2CS5K/VT143轴承 SKF BS2-2226-2CS5/VT143轴承 SKF 22226EK轴承 SKF 22226E轴承 SKF 24126-2CS5/VT143轴承 SKF 24126CCK30/W33轴承 SKF 24126CC/W33轴承 SKF 23126CCK/W33轴承 SKF 23126CC/W33轴承 SKF 24026-2CS5/VT143轴承 SKF 24026CCK30/W33轴承 SKF 24026CC/W33轴承 SKF 23026-2CS5K/VT143轴承 SKF 23026-2CS5/VT143轴承 SKF 23026CCK/W33轴承 SKF 23026CC/W33轴承 SKF 31326XJ2/DF轴承 SKF 32226J2/DF轴承 SKF 30226J2/DF轴承 SKF 32026X/DF轴承 SKF 32926/DF轴承 SKF 31326XJ2轴承 SKF 30326J2轴承 SKF 32226J2轴承 SKF 30226J2轴承 SKF 23226-2CS5K/VT143轴承 SKF 23226-2CS5/VT143轴承 SKF 23226CCK/W33轴承 SKF 23226CC/W33轴承
轴承型号查询- 关于我们- 联系我们- 帮助中心- 专用轴承- 网站导航- 轴承索引
客服热线:010-80849863 客服QQ:168681653
地址:北京市丰台区马家堡西路36号 京ICP备17062353号-1