
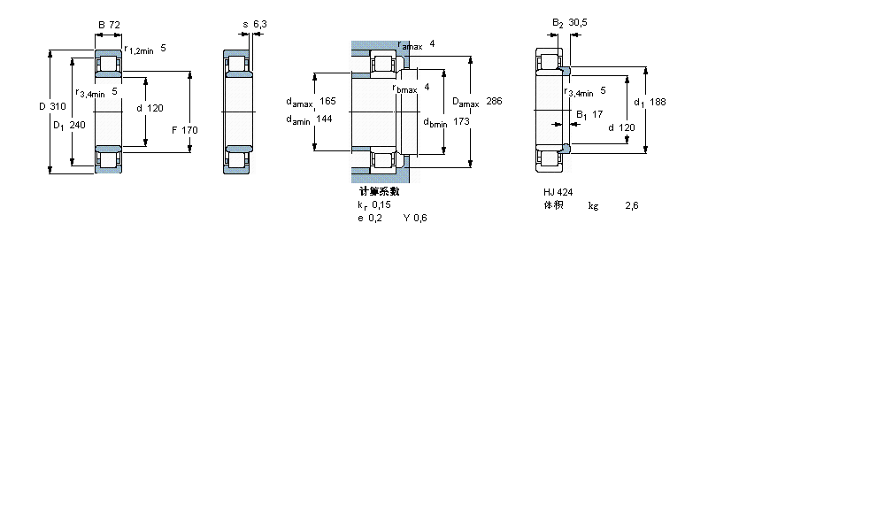
型号:NU424M
订购电话:15811153859
| 圆柱滚子轴承, 单列, NU 设计 | ||||||||||||
| 公差 , 参见文字 | ||||||||||||
| 径向内部间隙, 圆柱型内孔 , 圆锥型内孔, 无密封件 , 参见文字 | ||||||||||||
| 推荐配合 | ||||||||||||
| 轴和轴承座公差 | ||||||||||||
| | ||||||||||||
| 主要数据尺寸 | 基本负荷额定值 | 疲劳负荷限值 | 额定速度 | 体积 | 型号 | 适宜的斜挡圈 | ||||||
| 动态 | 静态 | 参照速度 | 限制速度 | 型号 | ||||||||
| d | D | B | C | C0 | Pu | |||||||
| | ||||||||||||
| mm | kN | kN | r/min | kg | - | - | ||||||
| | ||||||||||||
| 120 | 310 | 72 | 644 | 735 | 78 | 2400 | 2800 | 30,4 | NU 424 M | HJ 424 | ||
SKF NU224ECJ轴承 SKF NJ224ECP轴承 SKF NJ224ECML轴承 SKF NJ224ECM轴承 SKF NJ224ECJ轴承 SKF N224ECP轴承 SKF N224ECM轴承 SKF NU1024ML轴承 SKF NU1024M轴承 SKF NJ1024ML轴承 SKF 1224M轴承 SKF 1224KM轴承 SKF QJ324N2MA轴承 SKF QJ224N2MA轴承 SKF 29424E轴承 SKF 29324E轴承 SKF 2×7324BGBM轴承 SKF 2×7324BCBM轴承 SKF 2×7224BGAM轴承 SKF 2×7224BCBM轴承 SKF 7324BGBM轴承 SKF 7324BCBM轴承 SKF 7224BM轴承 SKF 7224BGAM轴承 SKF 7224BCBM轴承 SKF 7024BGM轴承 SKF 6024-2Z/VA208轴承 SKF 6324/C3VL2071轴承 SKF 6224/C3VL0241轴承 SKF NU424M轴承 SKF NUP2324ECMA轴承 SKF NU424轴承
轴承型号查询- 关于我们- 联系我们- 帮助中心- 专用轴承- 网站导航- 轴承索引
客服热线:010-80849863 客服QQ:168681653
地址:北京市丰台区马家堡西路36号 京ICP备17062353号-1