
型号:1222
订购电话:15811153859
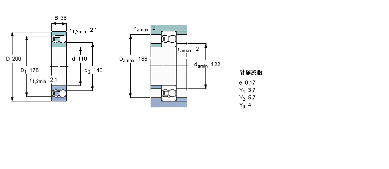
| 自调心球轴承, 圆柱孔和圆锥孔, 圆柱型内孔, 无密封件 | ||||||||||
| 公差 , 参见文字 | ||||||||||
| 径向内部游隙 , 参见文字 | ||||||||||
| 推荐配合 | ||||||||||
| 轴和轴承座公差 | ||||||||||
| | ||||||||||
| 主要数据尺寸 | 基本负荷额定值 | 疲劳负荷限值 | 额定速度 | 体积 | 型号 | |||||
| 动态 | 静态 | 参照速度 | 限制速度 | |||||||
| d | D | B | C | C0 | Pu | |||||
| | ||||||||||
| mm | kN | kN | r/min | kg | - | |||||
| | ||||||||||
| 110 | 200 | 38 | 88,4 | 39 | 1,6 | 6700 | 4300 | 5,15 | 1222 | |
SKF NJ422轴承 SKF NU2322ECP轴承 SKF NU2322ECMA轴承 SKF NU2322ECKMA轴承 SKF NJ2322ECP轴承 SKF NJ2322ECMA轴承 SKF NUP322ECP轴承 SKF NUP322ECML轴承 SKF NUP322ECJ轴承 SKF NU322ECP轴承 SKF NU322ECNML轴承 SKF NU322ECML轴承 SKF NU322ECM轴承 SKF NU322ECJ轴承 SKF NJ322ECP轴承 SKF NJ322ECML轴承 SKF NJ322ECM轴承 SKF NJ322ECJ轴承 SKF N322ECP轴承 SKF N322ECM轴承 SKF NUP2222ECP轴承 SKF 2222M/W64轴承 SKF 1224KM+H3024轴承 SKF 1322M轴承 SKF 1322KM轴承 SKF 2222M轴承 SKF 2222KM轴承 SKF 2222轴承 SKF 1222K轴承 SKF 1222轴承 SKF QJ322N2MA轴承 SKF QJ222N2MA轴承 SKF QJ1022N2MA轴承 SKF 29422E轴承 SKF 29322E轴承 SKF 3322DMA轴承 SKF 3322A轴承 SKF 5222A轴承 SKF 3222A轴承 SKF 7322BEY轴承 SKF 7322BEP轴承 SKF 7322BEM轴承 SKF 7322BEGBM轴承 SKF 7322BEGAM轴承 SKF 7322BECCM轴承 SKF 7322BECBY轴承 SKF 7322BECBP轴承 SKF 7322BECBM轴承 SKF 7222BEP轴承 SKF 7222BEM轴承 SKF 7222BEGBF轴承 SKF 7222BEGAF轴承 SKF 7222BECCM轴承 SKF 7222BECBY轴承 SKF 7222BECBP轴承 SKF 7222BECBM轴承 SKF 6322/C3VL0241轴承
轴承型号查询- 关于我们- 联系我们- 帮助中心- 专用轴承- 网站导航- 轴承索引
客服热线:010-80849863 客服QQ:168681653
地址:北京市丰台区马家堡西路36号 京ICP备17062353号-1