
型号:NJ220ECM
订购电话:15811153859
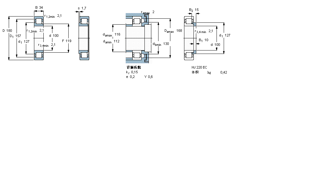
| 圆柱滚子轴承, 单列, NJ 设计 | ||||||||||||
| 公差 , 参见文字 | ||||||||||||
| 径向内部间隙, 圆柱型内孔 , 圆锥型内孔, 无密封件 , 参见文字 | ||||||||||||
| 推荐配合 | ||||||||||||
| 轴和轴承座公差 | ||||||||||||
| | ||||||||||||
| 主要数据尺寸 | 基本负荷额定值 | 疲劳负荷限值 | 额定速度 | 体积 | 型号 | 适宜的斜挡圈 | ||||||
| 动态 | 静态 | 参照速度 | 限制速度 | 型号 | ||||||||
| d | D | B | C | C0 | Pu | * - SKF Explorer 轴承 | ||||||
| | ||||||||||||
| mm | kN | kN | r/min | kg | - | - | ||||||
| | ||||||||||||
| 100 | 180 | 34 | 285 | 305 | 36,5 | 4000 | 4500 | 3,80 | NJ 220 ECM * | HJ 220 EC | ||
SKF NU320ECM轴承 SKF NU320ECJ轴承 SKF NJ320ECP轴承 SKF NJ320ECML轴承 SKF NJ320ECM轴承 SKF NJ320ECJ轴承 SKF NF320ECM轴承 SKF N320ECP轴承 SKF N320ECM轴承 SKF NUP2220ECP轴承 SKF NUP2220ECML轴承 SKF NUB220ECJ轴承 SKF NU2220ECP轴承 SKF NU2220ECNML轴承 SKF NU2220ECML轴承 SKF NU2220ECM轴承 SKF NU2220ECJ轴承 SKF NJ2220ECP轴承 SKF NJ2220ECML轴承 SKF NJ2220ECM轴承 SKF NJ2220ECJ轴承 SKF NUP220ECP轴承 SKF NUP220ECML轴承 SKF NU220ECP轴承 SKF NU220ECML轴承 SKF NU220ECM轴承 SKF NU220ECJ轴承 SKF NJ220ECP轴承 SKF NJ220ECML轴承 SKF NJ220ECM轴承 SKF NJ220ECJ轴承 SKF N220ECP轴承 SKF NU1020ML轴承 SKF NU1020M轴承 SKF 1322KM+H322轴承 SKF 2222KM+H322轴承 SKF 1222K+H222轴承 SKF 2320M轴承 SKF 2320KM轴承 SKF 1320K轴承 SKF QJ320N2MA轴承 SKF QJ220N2MA轴承 SKF 29420E轴承 SKF 29320E轴承 SKF 3320DMA轴承 SKF 3320A轴承 SKF 5220A轴承 SKF 3220A轴承 SKF 305397D轴承 SKF 7420CBM轴承 SKF 7320BEY轴承 SKF 7320BEP轴承 SKF 7320BEM轴承 SKF 7320BEGBY轴承 SKF 7320BEGAP轴承 SKF 7320BEGAM轴承 SKF 7320BEGAF轴承 SKF 7320BECCM轴承 SKF 7320BECBY轴承
轴承型号查询- 关于我们- 联系我们- 帮助中心- 专用轴承- 网站导航- 轴承索引
客服热线:010-80849863 客服QQ:168681653
地址:北京市丰台区马家堡西路36号 京ICP备17062353号-1