
型号:NJ219ECP
订购电话:15811153859
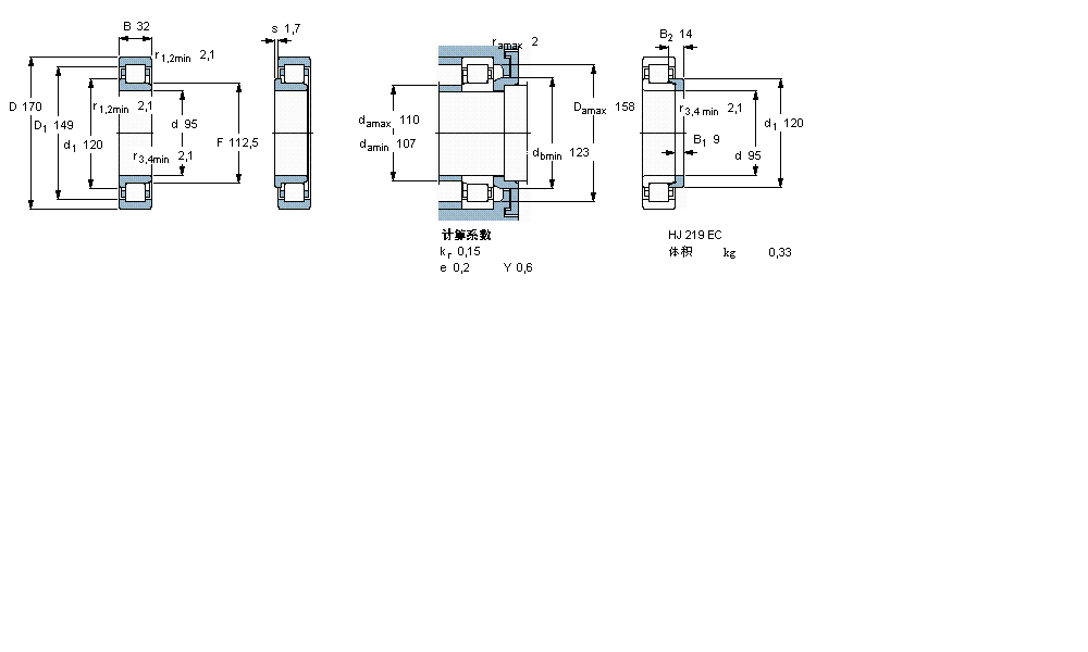
| 圆柱滚子轴承, 单列, NJ 设计 | ||||||||||||
| 公差 , 参见文字 | ||||||||||||
| 径向内部间隙, 圆柱型内孔 , 圆锥型内孔, 无密封件 , 参见文字 | ||||||||||||
| 推荐配合 | ||||||||||||
| 轴和轴承座公差 | ||||||||||||
| | ||||||||||||
| 主要数据尺寸 | 基本负荷额定值 | 疲劳负荷限值 | 额定速度 | 体积 | 型号 | 适宜的斜挡圈 | ||||||
| 动态 | 静态 | 参照速度 | 限制速度 | 型号 | ||||||||
| d | D | B | C | C0 | Pu | * - SKF Explorer 轴承 | ||||||
| | ||||||||||||
| mm | kN | kN | r/min | kg | - | - | ||||||
| | ||||||||||||
| 95 | 170 | 32 | 255 | 265 | 32,5 | 4300 | 4800 | 2,90 | NJ 219 ECP * | HJ 219 EC | ||
SKF NJ2319ECJ轴承 SKF NUP319ECP轴承 SKF NUP319ECML轴承 SKF NUP319ECM轴承 SKF NU319ECP轴承 SKF NU319ECML轴承 SKF NU319ECM轴承 SKF NU319ECJ轴承 SKF NJ319ECP轴承 SKF NJ319ECN2ML轴承 SKF NJ319ECML轴承 SKF NJ319ECM轴承 SKF NJ319ECJ轴承 SKF N319ECP轴承 SKF N319ECM轴承 SKF NUP2219ECP轴承 SKF NU2219ECP轴承 SKF NU2219ECM轴承 SKF NU2219ECJ轴承 SKF NJ2219ECP轴承 SKF NJ2219ECM轴承 SKF NJ2219ECJ轴承 SKF NUP219ECP轴承 SKF NUP219ECML轴承 SKF NUP219ECM轴承 SKF NU219ECP轴承 SKF NU219ECML轴承 SKF NU219ECM轴承 SKF NU219ECJ轴承 SKF NJ219ECP轴承 SKF NJ219ECML轴承 SKF NJ219ECM轴承 SKF NJ219ECJ轴承 SKF N219ECP轴承 SKF NU1019ML轴承 SKF QJ319N2MA轴承 SKF QJ219N2MA轴承 SKF 3319DMA轴承 SKF 3319A轴承 SKF 5219A轴承 SKF 3219A轴承 SKF 7419M轴承 SKF 7419GAM轴承 SKF 7419CBM轴承 SKF 7319BEP轴承 SKF 7319BEM轴承 SKF 7319BEGBY轴承 SKF 7319BEGAY轴承 SKF 7319BEGAM轴承 SKF 7319BEGAF轴承 SKF 7319BECBY轴承 SKF 7319BECBP轴承 SKF 7319BECBM轴承 SKF 7219BEP轴承 SKF 7219BEGAM轴承 SKF 7219BECBY轴承 SKF 7219BECBP轴承 SKF 7219BECBM轴承 SKF 6219/VA201轴承
轴承型号查询- 关于我们- 联系我们- 帮助中心- 专用轴承- 网站导航- 轴承索引
客服热线:010-80849863 客服QQ:168681653
地址:北京市丰台区马家堡西路36号 京ICP备17062353号-1