
型号:NJ218ECML
订购电话:15811153859
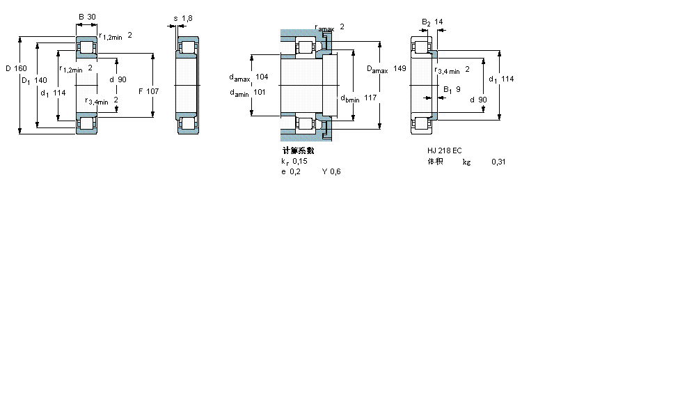
| 圆柱滚子轴承, 单列, NJ 设计 | ||||||||||||
| 公差 , 参见文字 | ||||||||||||
| 径向内部间隙, 圆柱型内孔 , 圆锥型内孔, 无密封件 , 参见文字 | ||||||||||||
| 推荐配合 | ||||||||||||
| 轴和轴承座公差 | ||||||||||||
| | ||||||||||||
| 主要数据尺寸 | 基本负荷额定值 | 疲劳负荷限值 | 额定速度 | 体积 | 型号 | 适宜的斜挡圈 | ||||||
| 动态 | 静态 | 参照速度 | 限制速度 | 型号 | ||||||||
| d | D | B | C | C0 | Pu | * - SKF Explorer 轴承 | ||||||
| | ||||||||||||
| mm | kN | kN | r/min | kg | - | - | ||||||
| | ||||||||||||
| 90 | 160 | 30 | 208 | 220 | 27 | 4500 | 7500 | 2,60 | NJ 218 ECML * | HJ 218 EC | ||
SKF NUP318ECM轴承 SKF NUP318ECJ轴承 SKF NU318ECP轴承 SKF NU318ECML轴承 SKF NU318ECM轴承 SKF NU318ECJ轴承 SKF NJ318ECP轴承 SKF NJ318ECML轴承 SKF NJ318ECM轴承 SKF N318ECP轴承 SKF N318ECM轴承 SKF NUP2218ECP轴承 SKF NU2218ECP轴承 SKF NU2218ECML轴承 SKF NU2218ECM轴承 SKF NU2218ECJ轴承 SKF NJ2218ECP轴承 SKF NJ2218ECN1ML轴承 SKF NJ2218ECML轴承 SKF NJ2218ECM轴承 SKF NJ2218ECJ轴承 SKF NUP218ECP轴承 SKF NUP218ECML轴承 SKF NUP218ECM轴承 SKF NU218ECP轴承 SKF NU218ECML轴承 SKF NU218ECM轴承 SKF NU218ECJ轴承 SKF NJ218ECP轴承 SKF NJ218ECML轴承 SKF NJ218ECM轴承 SKF NJ218ECJ轴承 SKF N218ECP轴承 SKF N218ECM轴承 SKF NU1018ML轴承 SKF 1320K+H320轴承 SKF 2220KM+H320轴承 SKF 1220K+H220轴承 SKF QJ318N2MA轴承 SKF QJ218N2MA轴承 SKF 3218A/W64轴承 SKF 29418E轴承 SKF 29318E轴承 SKF 5318A轴承 SKF 3318DMA轴承 SKF 3318A轴承 SKF 5218E轴承 SKF 5218A-2Z轴承 SKF 3218A轴承 SKF 2×7318BECBJ轴承 SKF 2×7218BEGBF轴承 SKF 2×7218BEGAY轴承 SKF 2×7218BEGAP轴承 SKF 2×7218BEGAF轴承 SKF 2×7218BECCM轴承 SKF 2×7218BECBY轴承 SKF 2×7218BECBP轴承 SKF 2×7218BECBM轴承 SKF 2320KM+H2320轴承
轴承型号查询- 关于我们- 联系我们- 帮助中心- 专用轴承- 网站导航- 轴承索引
客服热线:010-80849863 客服QQ:168681653
地址:北京市丰台区马家堡西路36号 京ICP备17062353号-1