
型号:2317M
订购电话:15811153859
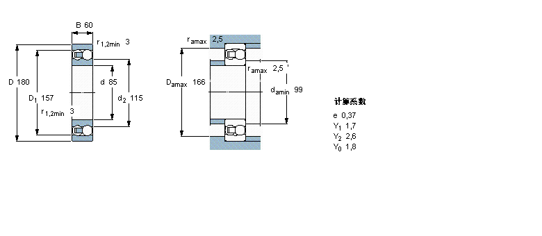
| 自调心球轴承, 圆柱孔和圆锥孔, 圆柱型内孔, 无密封件 | ||||||||||
| 公差 , 参见文字 | ||||||||||
| 径向内部游隙 , 参见文字 | ||||||||||
| 推荐配合 | ||||||||||
| 轴和轴承座公差 | ||||||||||
| | ||||||||||
| 主要数据尺寸 | 基本负荷额定值 | 疲劳负荷限值 | 额定速度 | 体积 | 型号 | |||||
| 动态 | 静态 | 参照速度 | 限制速度 | |||||||
| d | D | B | C | C0 | Pu | |||||
| | ||||||||||
| mm | kN | kN | r/min | kg | - | |||||
| | ||||||||||
| 85 | 180 | 60 | 140 | 51 | 2,28 | 6700 | 4800 | 7,05 | 2317 M | |
SKF 7317BEM轴承 SKF 7317BEGBY轴承 SKF 7317BEGAP轴承 SKF 7317BEGAM轴承 SKF 7317BEGAF轴承 SKF 7317BECCM轴承 SKF 7317BECBY轴承 SKF 7317BECBPH轴承 SKF 7317BECBP轴承 SKF 7317BECBM轴承 SKF 7317BECBJ轴承 SKF 7317BECBF轴承 SKF 7217BEP轴承 SKF 7217BEGAF轴承 SKF 7217BECBY轴承 SKF 7217BECBP轴承 SKF 7217BECBM轴承 SKF 7217BECBJ轴承 SKF YAR217-2F轴承 SKF 4217ATN9轴承 SKF 6217/W64轴承 SKF 6217/VA201轴承 SKF 6217-2Z/VA208轴承 SKF 6317/C3VL0241轴承 SKF 6217/C3VL0241轴承 SKF IR85x100x63轴承 SKF IR85x100x35轴承 SKF IR85x95x36轴承 SKF IR85x95x26轴承 SKF 2317M轴承 SKF 2317KM轴承
轴承型号查询- 关于我们- 联系我们- 帮助中心- 专用轴承- 网站导航- 轴承索引
客服热线:010-80849863 客服QQ:168681653
地址:北京市丰台区马家堡西路36号 京ICP备17062353号-1