
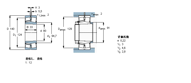
型号:22216EK
订购电话:15811153859
| 球面滚子轴承, 圆柱和圆锥孔, 圆锥型内孔, 无密封件 | ||||||||||
| 公差 , 参见文字 | ||||||||||
| 径向内部间隙, 圆柱型内孔 , 圆锥型内孔, 无密封件 , 参见文字 | ||||||||||
| 推荐配合 | ||||||||||
| 轴和轴承座公差 | ||||||||||
| | ||||||||||
| 主要数据尺寸 | 基本负荷额定值 | 疲劳负荷限值 | 额定速度 | 体积 | 型号 | |||||
| 动态 | 静态 | 参照速度 | 限制速度 | |||||||
| d | D | B | C | C0 | Pu | * - SKF Explorer 轴承 | ||||
| | ||||||||||
| mm | kN | kN | r/min | kg | - | |||||
| | ||||||||||
| 80 | 140 | 33 | 236 | 270 | 29 | 4300 | 6000 | 2,05 | 22216 EK * | |
SKF C2217KV+AHX317轴承 SKF C2217K+AHX317轴承 SKF C2218K+H318E轴承 SKF C2316K轴承 SKF C2316轴承 SKF C2216V轴承 SKF C2216KV轴承 SKF C2216K轴承 SKF C2216轴承 SKF C5916V轴承 SKF 21318EK+H318轴承 SKF 22218EK+H318轴承 SKF BS2-2316-2CSK/VT143轴承 SKF BS2-2316-2CS/VT143轴承 SKF 22316EKJA/VA405轴承 SKF 22316EK轴承 SKF 22316EJA/VA405轴承 SKF 22316E轴承 SKF 21316EK轴承 SKF 21316E轴承 SKF BS2-2216-2CSK/VT143轴承 SKF BS2-2216-2CS/VT143轴承 SKF 22216EK轴承 SKF 22216E轴承 SKF T7FC080T98/QCL7CDTC20轴承 SKF 31316J1/QCL7CDF轴承 SKF 32216J2/QDF轴承 SKF 32016X/QDFC165轴承 SKF FYNT80L轴承 SKF FYNT80F轴承 SKF C4916V轴承 SKF C4916K30V轴承 SKF 32316J2轴承 SKF 31316J1/QCL7C轴承 SKF 30316J2轴承 SKF T7FC080/QCL7C轴承 SKF 33216/Q轴承 SKF 32216J2/Q轴承 SKF 30216J2/Q轴承 SKF 33116/Q轴承 SKF 33116TN9/Q轴承 SKF JM515649/610/Q轴承 SKF 33016/Q轴承 SKF 32016X/Q轴承 SKF NAO80x110x30轴承 SKF NKI80/35轴承 SKF NKI80/25轴承 SKF RNAO80x100x30轴承 SKF NNF5016ADB-2LSV轴承 SKF 51316轴承 SKF 51216轴承 SKF 51116轴承 SKF C2317K+AHX2317轴承 SKF C2318K+H2318轴承 SKF 22318EK+H2318轴承 SKF 23218CCK/W33+H2318轴承 SKF NA6916轴承 SKF NA4916轴承
轴承型号查询- 关于我们- 联系我们- 帮助中心- 专用轴承- 网站导航- 轴承索引
客服热线:010-80849863 客服QQ:168681653
地址:北京市丰台区马家堡西路36号 京ICP备17062353号-1