
型号:NNC4916CV
订购电话:15811153859
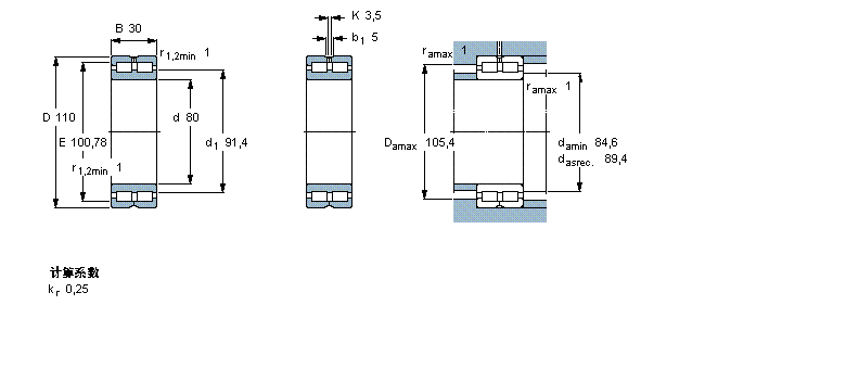
| 圆柱滚子轴承, 双列满装滚子, 无密封件, 双方向轴向负荷的挡边 | ||||||||||
| 公差 , 参见文字 | ||||||||||
| 径向内部游隙 , 参见文字 | ||||||||||
| 推荐配合 | ||||||||||
| 轴和轴承座公差 | ||||||||||
| | ||||||||||
| 主要数据尺寸 | 基本负荷额定值 | 疲劳负荷限值 | 额定速度 | 体积 | 型号 | |||||
| 动态 | 静态 | 参照速度 | 限制速度 | |||||||
| d | D | B | C | C0 | Pu | |||||
| | ||||||||||
| mm | kN | kN | r/min | kg | - | |||||
| | ||||||||||
| 80 | 110 | 30 | 121 | 216 | 25 | 2600 | 3400 | 0,88 | NNC 4916 CV | |
SKF 32216J2/QDF轴承 SKF 32016X/QDFC165轴承 SKF FYNT80L轴承 SKF FYNT80F轴承 SKF C4916V轴承 SKF C4916K30V轴承 SKF 32316J2轴承 SKF 31316J1/QCL7C轴承 SKF 30316J2轴承 SKF T7FC080/QCL7C轴承 SKF 33216/Q轴承 SKF 32216J2/Q轴承 SKF 30216J2/Q轴承 SKF 33116/Q轴承 SKF 33116TN9/Q轴承 SKF JM515649/610/Q轴承 SKF 33016/Q轴承 SKF 32016X/Q轴承 SKF NAO80x110x30轴承 SKF NKI80/35轴承 SKF NKI80/25轴承 SKF RNAO80x100x30轴承 SKF NNF5016ADB-2LSV轴承 SKF NNCF5016CV轴承 SKF NNCL4916CV轴承 SKF NNCF4916CV轴承 SKF NNC4916CV轴承 SKF 22216E/W64轴承 SKF 1318K+H318轴承 SKF 2218K+H318轴承 SKF 1218K+H218轴承 SKF 2316M轴承 SKF 2316KM轴承 SKF 2316K轴承 SKF 2316轴承 SKF 1316K轴承 SKF 1316轴承 SKF 2216ETN9轴承 SKF 2216EKTN9轴承 SKF 1216K轴承 SKF 1216轴承 SKF QJ316N2MA轴承 SKF QJ216N2MA轴承 SKF QJ216MA轴承 SKF 29416E轴承 SKF NK80/35轴承 SKF NK80/25轴承 SKF NU416M轴承 SKF NJ416M轴承 SKF NJ416轴承 SKF NUP2316ECP轴承 SKF NUP2316ECML轴承 SKF NU2316ECP轴承 SKF NA6916轴承 SKF NA4916轴承 SKF 2318KM+H2318轴承 SKF RNA6914轴承 SKF RNA4914轴承
轴承型号查询- 关于我们- 联系我们- 帮助中心- 专用轴承- 网站导航- 轴承索引
客服热线:010-80849863 客服QQ:168681653
地址:北京市丰台区马家堡西路36号 京ICP备17062353号-1