
型号:NJ215ECP
订购电话:15811153859
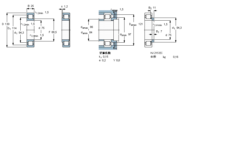
| 圆柱滚子轴承, 单列, NJ 设计 | ||||||||||||
| 公差 , 参见文字 | ||||||||||||
| 径向内部间隙, 圆柱型内孔 , 圆锥型内孔, 无密封件 , 参见文字 | ||||||||||||
| 推荐配合 | ||||||||||||
| 轴和轴承座公差 | ||||||||||||
| | ||||||||||||
| 主要数据尺寸 | 基本负荷额定值 | 疲劳负荷限值 | 额定速度 | 体积 | 型号 | 适宜的斜挡圈 | ||||||
| 动态 | 静态 | 参照速度 | 限制速度 | 型号 | ||||||||
| d | D | B | C | C0 | Pu | * - SKF Explorer 轴承 | ||||||
| | ||||||||||||
| mm | kN | kN | r/min | kg | - | - | ||||||
| | ||||||||||||
| 75 | 130 | 25 | 150 | 156 | 20,4 | 5600 | 6000 | 1,30 | NJ 215 ECP * | HJ 215 EC | ||
SKF NUP315ECM轴承 SKF NU315ECP轴承 SKF NU315ECML轴承 SKF NU315ECM轴承 SKF NU315ECJ轴承 SKF NJ315ECP轴承 SKF NJ315ECML轴承 SKF NJ315ECM轴承 SKF NJ315ECJ轴承 SKF N315ECP轴承 SKF N315ECM轴承 SKF NUP2215ECP轴承 SKF NUP2215ECML轴承 SKF NUP2215ECJ轴承 SKF NUB215ECJ轴承 SKF NU2215ECP轴承 SKF NU2215ECML轴承 SKF NU2215ECJ轴承 SKF NJ2215ECP轴承 SKF NJ2215ECML轴承 SKF NJ2215ECJ轴承 SKF NUP215ECP轴承 SKF NUP215ECML轴承 SKF NUP215ECM轴承 SKF NUP215ECJ轴承 SKF NU215ECP轴承 SKF NU215ECML轴承 SKF NU215ECM轴承 SKF NU215ECJ轴承 SKF NJ215ECP轴承 SKF NJ215ECML轴承 SKF NJ215ECM轴承 SKF NJ215ECJ轴承 SKF N215ECP轴承 SKF NU1015ML轴承 SKF 1317K+H317轴承 SKF 2217K+H317轴承 SKF 1217K+H217轴承 SKF 2315M轴承 SKF 2315KM轴承 SKF 2315K轴承 SKF 2315轴承 SKF 1315M轴承 SKF 1315K轴承 SKF 1315轴承 SKF 2215ETN9轴承 SKF 2215EKTN9轴承 SKF 1215K轴承 SKF 1215轴承 SKF QJ315N2MA轴承 SKF QJ215N2PHAS轴承 SKF QJ215N2MA轴承 SKF QJ215MA轴承 SKF 5215A-2Z轴承 SKF 5215A-2RS1轴承 SKF 5215A轴承 SKF 3215A-2Z/MT33轴承 SKF 3215A轴承 SKF 2317KM+H2317轴承
轴承型号查询- 关于我们- 联系我们- 帮助中心- 专用轴承- 网站导航- 轴承索引
客服热线:010-80849863 客服QQ:168681653
地址:北京市丰台区马家堡西路36号 京ICP备17062353号-1