
型号:3311DNRCBM
订购电话:15811153859
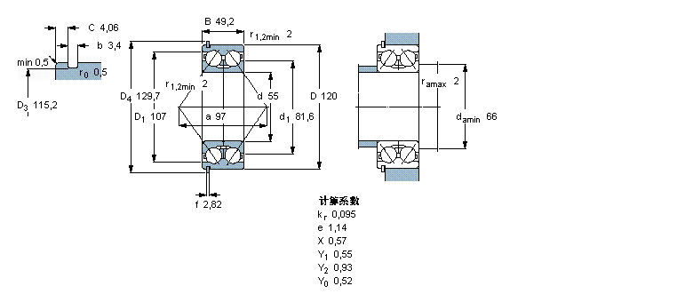
| 角接触球轴承, 双列, 无密封件, 于外圈的带止动槽, 两部份内圈 | ||||||||||
| 公差 , 参见文字 | ||||||||||
| 轴向内部间隙, a), b), 参见文字 | ||||||||||
| 推荐配合 | ||||||||||
| 轴和轴承座公差 | ||||||||||
| | ||||||||||
| 主要数据尺寸 | 基本负荷额定值 | 疲劳负荷限值 | 额定速度 | 体积 | 型号 | |||||
| 动态 | 静态 | 参照速度 | 限制速度 | |||||||
| d | D | B | C | C0 | Pu | |||||
| | ||||||||||
| mm | kN | kN | r/min | kg | - | |||||
| | ||||||||||
| 55 | 120 | 49,2 | 95,6 | 83 | 3,55 | 4800 | 5000 | 2,55 | 3311 DNRCBM | |
SKF NUP2211ECML轴承 SKF NUP2211ECJ轴承 SKF NUB211ECJ轴承 SKF NU2211ECP轴承 SKF 2312K+H2312轴承 SKF 1312EKTN9+H312轴承 SKF 2212EKTN9+H312轴承 SKF 2212E-2RS1KTN9+H312C轴承 SKF 1212EKTN9+H212轴承 SKF 2311M轴承 SKF 2311K轴承 SKF 1311ETN9轴承 SKF 1311EKTN9轴承 SKF 2211ETN9轴承 SKF 2211EKTN9轴承 SKF 2211E-2RS1TN9轴承 SKF 2211E-2RS1KTN9轴承 SKF 1211ETN9轴承 SKF 1211EKTN9轴承 SKF QJ311N2MA轴承 SKF QJ311MA轴承 SKF QJ211N2MA轴承 SKF QJ211MA轴承 SKF 5411A轴承 SKF 5311E-2Z轴承 SKF 5311E轴承 SKF 5311A-2Z轴承 SKF 3311DTN9轴承 SKF 3311DNRCBM轴承 SKF 3311DMA轴承 SKF 3311ATN9轴承 SKF 3311A-2Z/MT33轴承 SKF 3311A-2RS1/MT33轴承 SKF 3311A轴承 SKF 5211E-2Z轴承 SKF 5211E-2RS1轴承 SKF 5211E轴承 SKF 5211A-2Z轴承 SKF 5211A-2RS1轴承 SKF 5211A轴承 SKF 3211ATN9轴承 SKF 3211A-2Z/MT33轴承 SKF 3211A-2RS1/MT33轴承 SKF 3211A轴承 SKF NKS55轴承 SKF NK55/35轴承 SKF NK55/25轴承 SKF NU2211ECML轴承 SKF NU2211ECJ轴承 SKF NJ2211ECP轴承 SKF NJ2211ECML轴承 SKF NJ2211ECM轴承 SKF NJ2211ECJ轴承 SKF NUP211ECP轴承 SKF NUP211ECML轴承 SKF NUP211ECM轴承 SKF NUP211ECJ轴承 SKF NU211ECP轴承 SKF 2311轴承
轴承型号查询- 关于我们- 联系我们- 帮助中心- 专用轴承- 网站导航- 轴承索引
客服热线:010-80849863 客服QQ:168681653
地址:北京市丰台区马家堡西路36号 京ICP备17062353号-1