
型号:2210E-2RS1KTN9+H310C
订购电话:15811153859
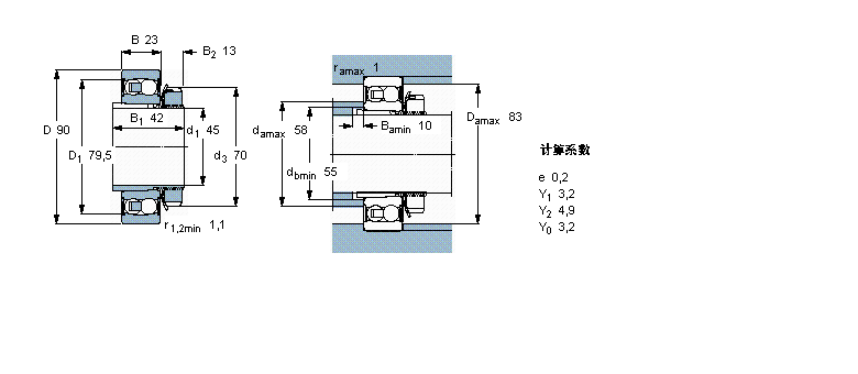
| 自调心球轴承, 带紧定套, 两面密封件 | ||||||||||
| 公差 , 参见文字 | ||||||||||
| 径向内部游隙 , 参见文字 | ||||||||||
| 推荐配合 | ||||||||||
| 轴和轴承座公差 | ||||||||||
| | ||||||||||
| 主要数据尺寸 | 基本负荷额定值 | 疲劳负荷限值 | 额定速度 | 体积 | 型号 | |||||
| 动态 | 静态 | 参照速度 | 限制速度 | 轴承 + 紧定套 | ||||||
| d1 | D | B | C | C0 | Pu | |||||
| | ||||||||||
| mm | kN | kN | r/min | kg | - | |||||
| | ||||||||||
| 45 | 90 | 23 | 22,9 | 8,15 | 0,42 | - | 4800 | 0,84 | 2210 E-2RS1 KTN9 + H 310 C | |
SKF NU2209ECP轴承 SKF NU2209ECJ轴承 SKF NJ2209ECP轴承 SKF NJ2209ECNJ轴承 SKF NJ2209ECJ轴承 SKF N2209ECJ轴承 SKF NUPJ209ECP轴承 SKF NUP209ECP轴承 SKF NUP209ECML轴承 SKF NUP209ECM轴承 SKF NUP209ECJ轴承 SKF NU209ECP轴承 SKF NU209ECML轴承 SKF NU209ECM轴承 SKF NU209ECKP轴承 SKF NU209ECJ轴承 SKF NJ209ECP轴承 SKF NJ209ECML轴承 SKF NJ209ECM轴承 SKF NJ209ECJ轴承 SKF N209ECP轴承 SKF N209ECM轴承 SKF NJ2009ECP轴承 SKF NU1009ECP轴承 SKF NJ1009ECP轴承 SKF 2209E-2RS1TN9/W64轴承 SKF 2310K+H2310轴承 SKF 1310EKTN9+H310轴承 SKF 2210EKTN9+H310轴承 SKF 2210E-2RS1KTN9+H310C轴承 SKF 1210EKTN9+H210轴承 SKF 2309ETN9轴承 SKF 2309EM轴承 SKF 2309EKTN9轴承 SKF 2309E-2RS1TN9轴承 SKF 1309ETN9轴承 SKF 1309EKTN9轴承 SKF 11209TN9轴承 SKF 2209ETN9轴承 SKF 2209EKTN9轴承 SKF 2209E-2RS1TN9轴承 SKF 2209E-2RS1KTN9轴承 SKF 1209ETN9轴承 SKF 1209EKTN9轴承 SKF QJ309N2PHAS轴承 SKF QJ309N2MA轴承 SKF QJ309MA轴承 SKF QJ209MA轴承 SKF 3209ATN9/W64轴承 SKF 5409A轴承 SKF 5309E-2Z轴承 SKF 5309E-2RS1轴承 SKF 5309E轴承 SKF 5309A-2Z轴承 SKF 5309A-2RS1轴承 SKF 3309DNRCBM轴承 SKF 3309DMA轴承 SKF 3309ATN9轴承 SKF 3309A-2Z/MT33轴承
轴承型号查询- 关于我们- 联系我们- 帮助中心- 专用轴承- 网站导航- 轴承索引
客服热线:010-80849863 客服QQ:168681653
地址:北京市丰台区马家堡西路36号 京ICP备17062353号-1