
型号:1207ETN9
订购电话:15811153859
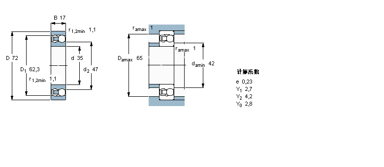
| 自调心球轴承, 圆柱孔和圆锥孔, 圆柱型内孔, 无密封件 | ||||||||||
| 公差 , 参见文字 | ||||||||||
| 径向内部游隙 , 参见文字 | ||||||||||
| 推荐配合 | ||||||||||
| 轴和轴承座公差 | ||||||||||
| | ||||||||||
| 主要数据尺寸 | 基本负荷额定值 | 疲劳负荷限值 | 额定速度 | 体积 | 型号 | |||||
| 动态 | 静态 | 参照速度 | 限制速度 | |||||||
| d | D | B | C | C0 | Pu | |||||
| | ||||||||||
| mm | kN | kN | r/min | kg | - | |||||
| | ||||||||||
| 35 | 72 | 17 | 19 | 6 | 0,31 | 20000 | 13000 | 0,32 | 1207 ETN9 | |
SKF NU207ECKP轴承 SKF NU207ECKJ轴承 SKF NU207ECJ轴承 SKF NJ207ECPH轴承 SKF NJ207ECP轴承 SKF NJ207ECML轴承 SKF NJ207ECM轴承 SKF NJ207ECJ轴承 SKF N207ECP轴承 SKF N207ECM轴承 SKF NU1007ECP轴承 SKF NU1007ECMP轴承 SKF 2308EKTN9+H2308轴承 SKF 1308EKTN9+H308轴承 SKF 2208EKTN9+H308轴承 SKF 2208E-2RS1KTN9+H308C轴承 SKF 1208EKTN9+H208轴承 SKF 2307KM轴承 SKF 2307ETN9轴承 SKF 2307EM轴承 SKF 2307EKTN9轴承 SKF 2307E-2RS1TN9轴承 SKF 1307ETN9轴承 SKF 1307EKTN9轴承 SKF 11207TN9轴承 SKF 2207ETN9轴承 SKF 2207EKTN9轴承 SKF 2207E-2RS1TN9轴承 SKF 2207E-2RS1KTN9轴承 SKF 1207ETN9轴承 SKF 1207EKTN9轴承 SKF QJ307N2PHAS轴承 SKF QJ307N2MA轴承 SKF QJ307MA轴承 SKF QJ207N2MA轴承 SKF NJG2307VH轴承 SKF NCF3007CV轴承 SKF 2×7407BCBM轴承 SKF 2×7307BEGBP轴承 SKF 2×7307BEGAP轴承 SKF 2×7307BECBY轴承 SKF 2×7307BECBP轴承 SKF 2×7307BECBM轴承 SKF 2×7207BEGBY轴承 SKF 2×7207BEGBP轴承 SKF 2×7207BEGAY轴承 SKF 2×7207BEGAP轴承 SKF 2×7207BEGAM轴承 SKF 2×7207BECBY轴承 SKF 7407BM轴承 SKF 7407BCBM轴承 SKF 7307BEY轴承 SKF 7307BEP轴承 SKF 7307BEGBP轴承 SKF 7307BEGAP轴承 SKF 7307BECBY轴承 SKF 7307BECBP轴承 SKF 7307BECBM轴承 SKF 7207BEY轴承
轴承型号查询- 关于我们- 联系我们- 帮助中心- 专用轴承- 网站导航- 轴承索引
客服热线:010-80849863 客服QQ:168681653
地址:北京市丰台区马家堡西路36号 京ICP备17062353号-1